HMC929

LAST TIME BUY

430° Analog Phase Shifter SMT, 4 - 8 GHz

Viewing:

Overview

  • Octave Bandwidth: 4 - 8 GHz
  • 430° Phase Shift
  • Low Insertion Loss: 4 dB
  • Low Phase Error: ±5° Typ.
  • Single Positive Voltage Control 
  • 24 Lead 4x4 mm QFN Package: 16 mm2

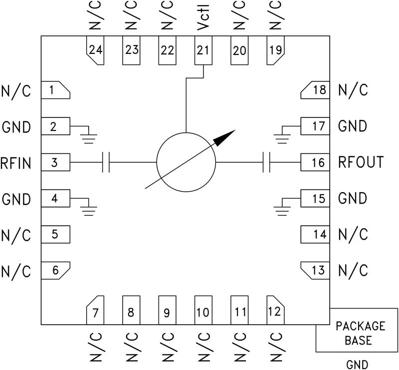
The HMC929LP4E is an Analog Phase Shifter which is controlled via an analog control voltage from 0 to +13V. The HMC929LP4E provides a continuously variable phase shift of 0 to 430 degrees from 4 to 8 GHz, with extremely consistent low insertion loss versus phase shift and frequency. The high accuracy HMC929LP4E is monotonic with respect to control voltage and features a typical low phase error of ±5 degrees over an octave bandwidth. The HMC929LP4E is housed in an RoHS compliant 4x4 mm QFN leadless package.

APPLICATIONS

  • EW Receivers
  • Military Radar
  • Test Equipment
  • Satellite Communications
  • Beam Forming Modules

HMC929
430° Analog Phase Shifter SMT, 4 - 8 GHz
HMC929 Functional Block Diagram
Add to myAnalog

Add product to the Products section of myAnalog (to receive notifications), to an existing project or to a new project.

Create New Project
Ask a Question

Documentation

Learn More
Add to myAnalog

Add media to the Resources section of myAnalog, to an existing project or to a new project.

Create New Project

Software Resources

Can't find the software or driver you need?

Request a Driver/Software

Hardware Ecosystem

Parts Product Life Cycle Description
HMC649A RECOMMENDED FOR NEW DESIGNS GaAs MMIC 6-Bit Digital Phase Shifter, 3 GHz to 6 GHz
Modal heading
Add to myAnalog

Add product to the Products section of myAnalog (to receive notifications), to an existing project or to a new project.

Create New Project

Evaluation Kits

EVAL-HMC929LP4E
HMC929LP4E Evaluation Board

Latest Discussions

Recently Viewed