HMC801

Obsolete

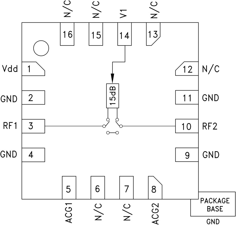
15 dB 1-Bit Digital Positive Control Attenuator SMT, DC - 10 GHz

Viewing:

Overview

  • ±0.4 dB Typical Step Error
  • Low Insertion Loss: 3 dB
  • High IP3: +53 dBm
  • Single Control Line
  • TTL/CMOS Compatible Control
  • Single +5V Supply
  • 16 Lead 3x3mm SMT Package: 9mm²

The HMC801LP3E is a broadband bidirectional 1-bit GaAs IC digital attenuator in a low cost leadless surface mount package. This single positive control line digital attenuator utilizes off chip AC ground capacitors for near DC operation, making it suitable for a wide variety of RF and IF applications. Covering DC to 10 GHz, the insertion loss is less than 3 dB typical and attenuation accuracy is excellent at ±0.4 dB typical step error. The attenuator also features a high IIP3 of +53 dBm. One TTL/CMOS control input is used to select the attenuation state and a single Vdd bias of +5V is required.

Applications

  • Test Equipment and Sensors
  • ISM, MMDS, WLAN, WiMAX, WiBro
  • Microwave Radio & VSAT
  • Cellular Infrastructure

HMC801
15 dB 1-Bit Digital Positive Control Attenuator SMT, DC - 10 GHz
hmc801lp3_fbl
Add to myAnalog

Add product to the Products section of myAnalog (to receive notifications), to an existing project or to a new project.

Create New Project
Ask a Question

Documentation

Data Sheet

This is the most up-to-date revision of the Data Sheet.

Learn More
Add to myAnalog

Add media to the Resources section of myAnalog, to an existing project or to a new project.

Create New Project

Software Resources

Can't find the software or driver you need?

Request a Driver/Software

Hardware Ecosystem

Parts Product Life Cycle Description
HMC424ALP3E 0.1 GHz to 13.0 GHz, 0.5 dB LSB, 6-Bit, GaAs Digital Attenuator
Modal heading
Add to myAnalog

Add product to the Products section of myAnalog (to receive notifications), to an existing project or to a new project.

Create New Project

Evaluation Kits

EVAL-HMC801LP3E
HMC801LP3E Evaluation Board

Latest Discussions

Recently Viewed