HMC798

Obsolete

GaAs MMIC Sub-Harmonic SMT Mixer, 24 - 34 GHz

Viewing:

Overview

  • Integrated LO Amplifier: +4 dBm Input
  • Sub-Harmonically Pumped (x2) LO
  • Wideband IF: DC - 4 GHz
  • Single Positive Supply: +5V @ 95mA
  • 24 Lead Ceramic 4x4mm SMT Package: 16mm²

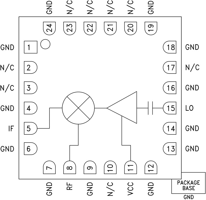
The HMC798LC4 is a 24 - 34 GHz Sub-harmonically Pumped (x2) MMIC Mixer with an integrated LO amplifier in a leadless RoHS compliant SMT package. The 2LO to RF isolation is excellent at 30 dB, eliminating the need for additional filtering. The LO amplifier is a single bias +5V design with a nominal +4 dBm drive requirement. The RF and LO ports are DC blocked and matched to 50 Ohms for ease of use while the IF covers DC to 4 GHz. The HMC798LC4 eliminates the need for wire bonding, allowing use of surface mount manufacturing techniques.

Applications

  • Point-to-Point Radios
  • Point-to-Multi-Point Radios & VSAT
  • Test Equipment & Sensors
  • Military End-Use
  • SAT COM

HMC798
GaAs MMIC Sub-Harmonic SMT Mixer, 24 - 34 GHz
hmc798lc4_fbl
Add to myAnalog

Add product to the Products section of myAnalog (to receive notifications), to an existing project or to a new project.

Create New Project
Ask a Question

Documentation

Data Sheet

This is the most up-to-date revision of the Data Sheet.

Learn More
Add to myAnalog

Add media to the Resources section of myAnalog, to an existing project or to a new project.

Create New Project

Software Resources

Can't find the software or driver you need?

Request a Driver/Software

Hardware Ecosystem

Parts Product Life Cycle Description
HMC798A RECOMMENDED FOR NEW DESIGNS

24 GHz to 34 GHz, GaAs, MMIC, Subharmonic SMT Mixer

Modal heading
Add to myAnalog

Add product to the Products section of myAnalog (to receive notifications), to an existing project or to a new project.

Create New Project

Evaluation Kits

EVAL-HMC798LC4
HMC798LC4 Evaluation Board

Latest Discussions

Recently Viewed