HMC675LC3C

PRODUCTION

High Speed Latched Comparator-RSCML SMT, 10 GHz

Viewing:

Overview

  • Equivalent Input Bandwidth: 10 GHz
  • Propagation Delay: 100 ps
  • Overdrive & Slew Rate Dispersion: 10 ps
  • Minimum Pulse Width: 60 ps
  • Resistor Programmable Hysteresis
  • Differential Latch Control
  • Power Dissipation: 100 mW
  • RSPECL and RSECL Versions Available
  • 16 Lead Ceramic 3×3 mm
    SMT Package: 9 mm2

The HMC675LC3C is a SiGe monolithic, ultra fast comparator which features reduced swing CML output drivers and latch inputs. The comparator supports 10 Gbps operation while providing 100 ps propagation delay and 60 ps minimum pulse width with 0.2 ps rms random jitter (RJ).

Overdrive and slew rate dispersion are typically 10 ps, making the device ideal for a wide range of applications from ATE to broadband communications. The reduced swing CML output stage is designed to directly drive 400 mV into 50 Ohms terminated to GND. The HMC675LC3C features high speed latch and programmable hysteresis and may be configured to operate in either latch mode, or as a tracking comparator.

APPLICATIONS

  • ATE Applications
  • High Speed Instrumentation
  • Digital Receiver Systems
  • Pulse Spectroscopy
  • High Speed Trigger Circuits
  • Clock & Data Restoration

HMC675LC3C
High Speed Latched Comparator-RSCML SMT, 10 GHz
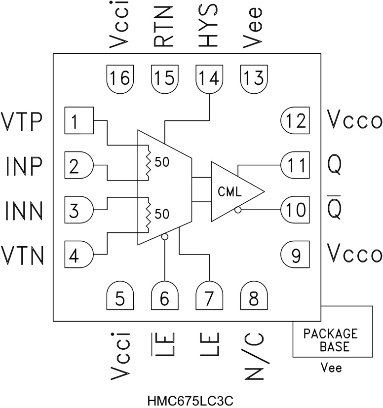
HMC675LC3C Functional Block Diagram
Add to myAnalog

Add product to the Products section of myAnalog (to receive notifications), to an existing project or to a new project.

Create New Project
Ask a Question

Documentation

Data Sheet

This is the most up-to-date revision of the Data Sheet.

Learn More
Add to myAnalog

Add media to the Resources section of myAnalog, to an existing project or to a new project.

Create New Project

Software Resources

Can't find the software or driver you need?

Request a Driver/Software

Tools & Simulations


Evaluation Kits

EVAL-HMC675LC3C
HMC675LC3C Evaluation Board

Latest Discussions

Recently Viewed