HMC5929

Obsolete

GaAs pHEMT MMIC 1 Watt Power Amplifier, 40 - 43.5 GHz

Viewing:

Part Details

  • Saturated Output Power:
    +30 dBm @ 15% PAE
  • Output IP3: +36 dBm
  • High Gain: 19 dB
  • DC Supply: +6V @ 900 mA
  • No External Matching Required
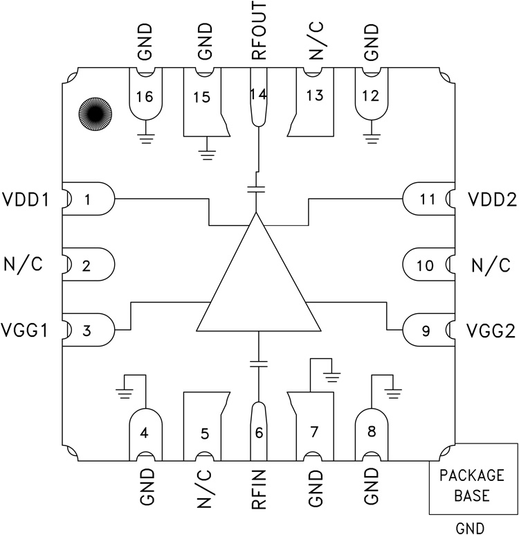
  • 16 Lead Ceramic 6x6 mm SMT Package
HMC5929
GaAs pHEMT MMIC 1 Watt Power Amplifier, 40 - 43.5 GHz
hmc5929ls6_fbl
Add to myAnalog

Add product to the Products section of myAnalog (to receive notifications), to an existing project or to a new project.

Create New Project
Ask a Question

Documentation

Data Sheet

This is the most up-to-date revision of the Data Sheet.

Learn More
Add to myAnalog

Add media to the Resources section of myAnalog, to an existing project or to a new project.

Create New Project

Software Resources

Can't find the software or driver you need?

Request a Driver/Software

Evaluation Kits

EVAL-HMC5929LS6
HMC5929LS6 Evaluation Board

Latest Discussions

Recently Viewed