Overview
Product Details
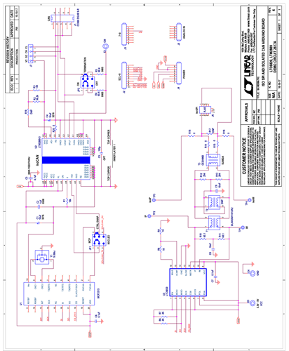
Demonstration circuit 2617A implements the isoSPI and isolated CAN interface hardware on a single Arduino shield. It allows Arduino-compatible controller boards to communicate with isoSPI and/or CAN bus networks.
Markets and Technologies
Applicable Parts
Documentation & Resources
-
DC2617A - Schematic1/18/2018PDF96K
-
DC2617A - Demo Board Manual1/18/2018PDF191K
-
DC2617A - Design Files1/18/2018ZIP2M
