Overview
Product Details
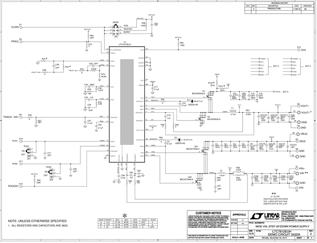
Demonstration circuit DC2422A is a step-up + step-down DC/DC converter featuring the LTC7812EUH, a high performance dual output (Boost + Buck) synchronous DC/ DC switching regulator controller. This board has a 4V to 36V input voltage range and three different output configurations. DC2422A-A generates a regulated 12V @ 8A output using the boost and buck converter combination. DC2422A-B provides a quasi-regulated output voltage between 10V and 16V; the circuit steps voltages lower than 10V up to 10V, passes voltages between 10V and 16V, and steps voltage above 16V down to 16V, providing a loosely regulated 12V bus. DC2422A-C boosts the input voltage up to 12V and then steps this voltage down to 5V @ 8A, simulating a power supply designed to provide 5V output power even during cold crank conditions as low as 4V.
Markets and Technologies
Applicable Parts
Documentation & Resources
- 
                                                                
                                                                    
                                                                                                                                            DC2422A - Schematic3/11/2016PDF91K
- 
                                                                
                                                                    
                                                                                                                                            DC2422A - Demo Manual3/11/2016PDF423K
- 
                                                                
                                                                    
                                                                                                                                            DC2422A - Design Files4/21/2016ZIP1M
 
                             
                         
                         
                                                