banner background image

数字电源技术

数字电源技术将ADI的知名电源解决方案与可编程性和遥测功能相结合,可解决边缘智能、预测性维护和可再生能源方面的关键问题,提供更高的功率密度和更好的散热性能、低响应时间延迟以及更高的安全性。我们的数字控制器具有多功能特性,可使用简单的固件实现各种复杂的电源拓扑,解决您的设计难题。

 

价值和优势

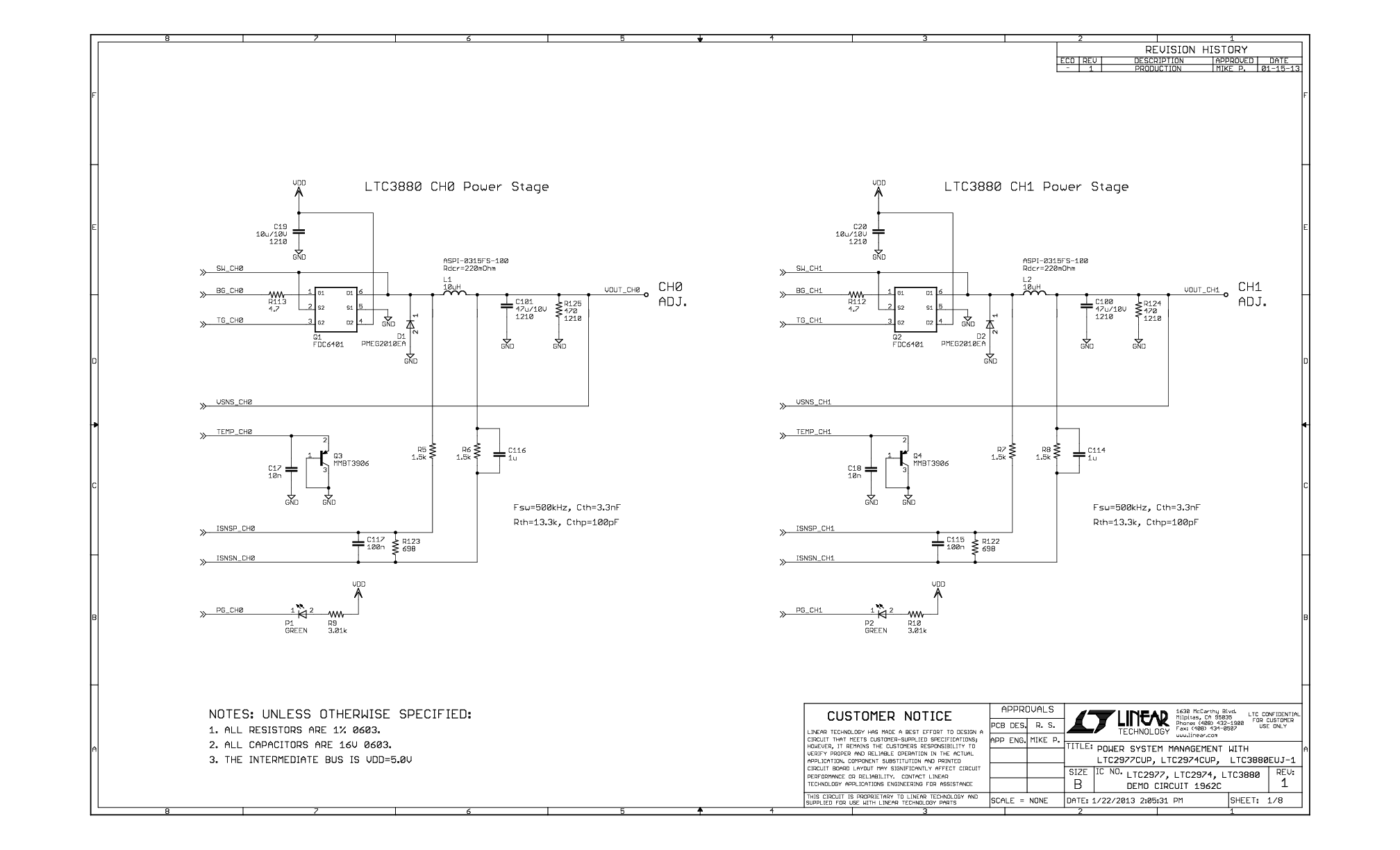
ADI的数字电源解决方案可在原型制作、部署和现场操作过程中简化并加快电源系统特性、优化和数据挖掘。可以支持多种拓扑结构,处理不同数量的通道和多种电源配置,适用于路由器、交换机、服务器、企业数据存储系统和自动化测试设备中的大型POL电源系统。数字电源系统管理(DPSM)或电源系统管理(PSM)解决方案采用PMBus®/SMBus/I2C数字接口、LTpowerPlay®软件和内部EEPROM选项,以实现自定义。DPSM产品包括μModule®稳压器、隔离和非隔离升压与降压DC-DC稳压器、管理器IC、时序控制器和电源监控器。

thumbsupImg Benefits

通过数字遥测和控制功能管理电源系统

thumbsupImg Benefits

灵活且可扩展的电源系统

thumbsupImg Benefits

优化电源解决方案能耗

掌控您的电源解决方案

了解电源的健康状况

使用基于接口的数字控制、遥测及模拟DC-DC电源转换器的黑盒故障记录功能管理电源。数字电源解决方案支持实时调整配置参数、远程监控和命令电源系统数字监控、记录电压、电流、功率和温度的数据信息,以及调整多个负载点电源、余量、时序,监控和记录/管理故障。

优化电源解决方案

优化性能与随电源域、负载减轻和调整电源电压而消耗的能量。通过精密控制环境条件下的电源并协调时序和故障管理来提高可靠性。

探索全面的数字电源选项

产品范围涵盖电源系统管理器、DC-DC控制器和完全集成的µModule®稳压器。针对广泛功率水平的各种电源拓扑,还可以使用符合PMBus®标准的命令,通过I2C/SMBus数字接口轻松设计和管理电源。

A businesswoman interacts with a futuristic digital interface displaying 'EDGE computing' at the center, surrounded by interconnected technology icons representing cloud computing, security, and data processing.
carousel title icon

解决方案资源

产品

显示更多

Arrow image

开发人员工具和资源

仿真模型

ADI为RF、线性器件、转换器、电源管理器件和其他产品提供仿真模型,满足电路和电路板级仿真需求。
培训与支持
Title
Subtitle
了解更多
添加至 myAnalog

将文章添加到 myAnalog 的资源部分、现有项目或新项目。

创建新项目

文件和下载

解决方案设计及宣传手册

icon for the pdf

PDF

461.79 K

显示更多

Arrow image

ADI 支持

让我们知道您的需求,我们将与您分享 ADI 知识库中的最佳答案。

button icon

得到帮助