文档
-
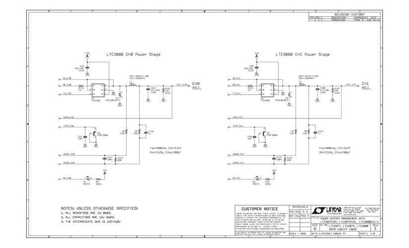
DC1962C - Schematic2013/4/24PDF622K
-
DC1962C - Demo Manual2013/6/27PDF4M
-
DC1962C - Design Files2013/4/24ZIP10M

