本参考设计提供了构建一个示波器所需的全部电路(图1),设计采用MAX1396EVKIT (参考设计要求用MAX1393ETB ADC替代MAX1396ETB ADC)和一台PC,并提供了电路图、Windows®软件和微控制器固件。固件示例程序采用C语言编写,利用IAR Embedded Workbench®平台针对MAXQ2000进行编译,可免费下载MAXQ® 1.13C,4K KickStart版本的IAR Embedded Workbench。
图1. 基于PC的示波器
MAX1393简介
MAX1393为单通道、312.5ksps、真差分、12位SAR ADC。本参考设计采用MAX1393对输入波形进行采样。
硬件简介
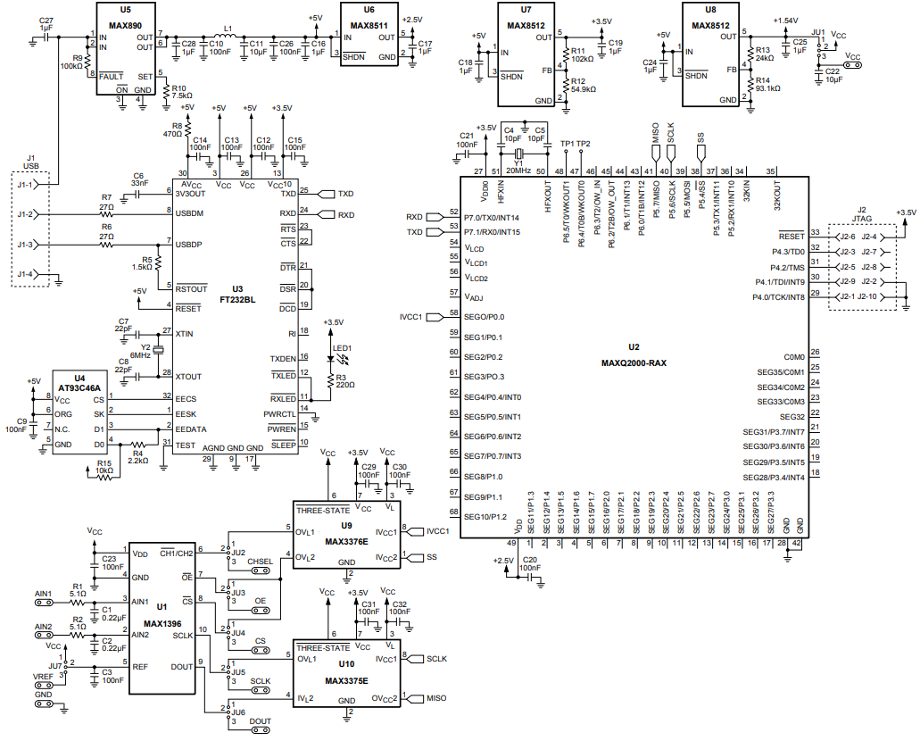
MAX1396EVKIT包括MAX1396 ADC (本设计中将其替换为MAX1393)、MAXQ2000微控制器、所有必需的无源元件以及经过验证的PCB布局。MAX1396EVKIT原理图如图2所示。
MAX1396EVKIT的电路板上没有安装MAX1393,可通过Maxim网站订购MAX1393ETB的样品,替换评估板上的MAX1396ETB。表1列出了所需的跳线设置。

| Jumper | Position |
| JU1 | 1-2 |
| JU2 | 1-2 |
| JU3 | 1-2 |
| JU4 | 1-2 |
| JU6 | 1-2 |
| JU6 | 1-2 |
| JU7 | 1-2 |
固件简介
AN4530-firmware.zip文件包含的C程序可以使MAXQ2000的SPI™外设与MAX1393通信。当MAXQ2000采用20MHz系统时钟时,SPI串行时钟为5MHz。MAXQ2000从PC机收到命令后,微控制器即刻开始从MAX1393获取数据。存储512个采样数据后,MAXQ2000将数据发送给PC。
Windows程序简介
将MAX1396EVKIT通过USB电缆连接到PC机后,固件将等待接收Windows程序命令,如图3所示。按下Convert键接收评估板采集的输入信号数据,然后显示数据波形(图4)。当鼠标光标放置在波形区域时,将在屏幕顶端显示相应的时间(Time)和电压(Voltage),如图5所示。表2给出了其它软件功能。
图3. MAX1393参考设计的Windows程序启动
图4. 显示波形
图5. 在屏幕顶端显示时间和电压
| Button | Description |
![]() |
Vertically scales the waveform. |
![]() |
Horizontally scales the waveform. |
![]() |
Shifts the waveform horizontally. |
![]() |
Enter a value (in milliseconds) into the edit box and press the Set button to set the starting time at the left of the screen. |
![]() |
Enter a value (in milliseconds) into the edit box and press the Set button to set the ending time at the right of the screen |
|
Enter a value (in milliseconds) into the edit box and press the Set button to set the sampling time |
![]() |
Enter a proper trigger-level value into this edit box. |
![]() |
Click on one of the two radio buttons to choose either rising-edge triggering or falling-edge triggering. |
![]() |
Press this button to receive input-signal data from the EV kit board and display the waveform on the screen. |
![]() |
Select this checkbox to receive continuous data from the EV kit and continuous updates to the waveform on the screen. |
![]() |
Press this button to redraw the waveform on the screen. |
![]() |
Press this button to exit the program. |










