Next Generation No Compromise Battery Chargers
Introduction
Until now, a fully-featured high power battery charger simply did not exist in a single IC. No one had succeeded in squeezing a charger into a small package without compromising some functionality, such as wide voltage range, current range, accuracy, low external part count, or efficiency.
For instance, some single-IC chargers focus on the analog PWM power control side of charging while others just perform the charge termination function. None offered it all in one package, until now.
Analog Devices introduces a family of complete single-IC high power battery charger solutions that do not compromise any functionality for small IC size. The new LTC4006, LTC4007 and LTC4008 series of battery chargers pack all of the most desirable charge and protection features into a single IC. These devices also offer novel features that save board space, and modern I/O features for communication with host systems.
The First True, All-In-One, No Compromise Battery Chargers
The LTC4006, LTC4007 and LTC4008 battery chargers share a new control architecture, and each device combines many desirable features into a single package, including:
- Support for batteries up to 28V at charge rates up to 4A with efficiencies higher than 95%.
- Typical charging voltage and current accuracy is 0.8% and 4% respectively.
- The PWM controller is a 300kHz synchronous architecture capable of achieving 98% maximum duty cycle for excellent low dropout performance and continuous switching down to zero charge current. The PWM controller is designed to be stable with and suppress the audible noise from ceramic input/output capacitors while also allowing the use of popular 10µH inductors for small size at high currents.
- A low current sense voltage allows the use of small size and low value current sense resistors. Small IC size, low external part count and the use of small external components result in a very small circuit board footprint.
- An overvoltage comparator protects against battery over voltage conditions and suspends PWM activity at logic speeds. Input current limiting automatically reduces charge current to prevent overloading the power adapter. A series input MOSFET also provides power adapter protection from reverse battery discharge.
- All of the chargers have shutdown (SHDN) input pins. If the input power is removed, the charger isolates the voltage feedback path and turns off unneeded internal IC circuits to bring the reverse battery drain current down to only 15µA.
- A flexible thermistor circuit can be used to monitor battery or ambient temperature.
- All of these devices have the ability to externally monitor the charge current flowing into the battery.

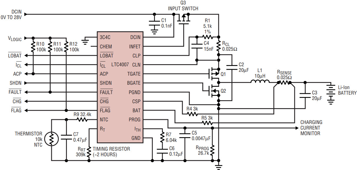
Figure 1. 4A Li-Ion Charger.
This just covers the basic feature set. There are other features that differentiate the devices.
So What Are the Differences?
Table 1 compares the three battery chargers.
| Feature | LTC4006 |
LTC4007 |
LTC4008 |
| Voltage Selection | Dash Part 8.4V, 12.6V, 16.8V |
Pin Programmed 12.3V, 12.6V, 16.4V 16.8V |
Resistor Divider |
| Voltage Accuracy | 0.6% Typ, 0.8% Sys Max | 0.8% Typ, 1% Sys Max | 0.8% Typ, 1% Max |
| Current Programming | Sense R | Program R + Sense R | Program R + Sense R |
| AC Present | Merged with SHDN | ● | Merged with SHDN |
| Charge Termination Timer | ● | ● | |
| Low Battery Conditioning | ● | ● | |
| Auto Restart Capability | ● | ● | |
| Charge State Flag (CHG) | ● | ● | |
| Low Bat Flag | ● | ||
| C/10 Flag | Merged with CHG | ● | ● |
| Fault Flag | ● | ● | |
| Input Current Limit Flag | ● | ● | |
| Available without INFET | ● (Dash Part) | ||
| IC Package | SSOP-16 | SSOP-24 | SSOP-20 |
The LTC4006 and LTC4007 are configured specifically for charging Li-Ion batteries and contain full charge termination and auto restart control. The LTC4008 does not include charge termination support so that it can work with more than just Li-Ion batteries—a host microcontroller can manage the specific charge termination requirements for the particular battery chemistry in use.

Figure 2. 12.6V, 4A Li-Ion charger.

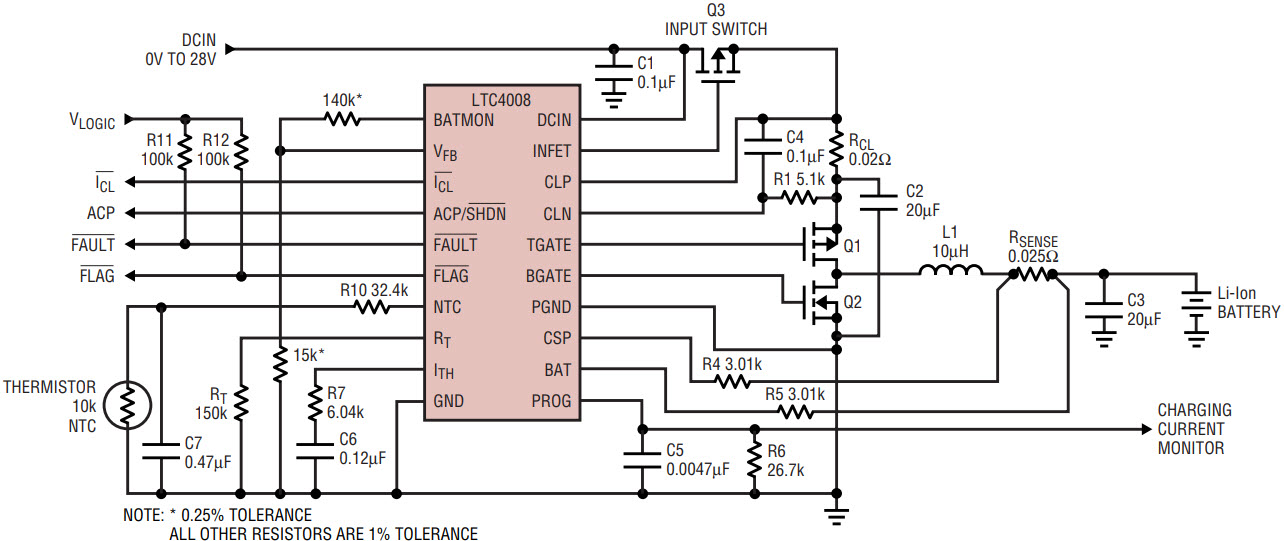
Figure 3. 12.3V, 4A Li-Ion charger.
The LTC4006, in an SSOP-16 package, is the smallest of the three; the LTC4007 brings out the maximum number of status monitoring and control signals in a slightly larger, SSOP-24 package.
Battery Charge Termination and Management
The LTC4006 and LTC4007 have on board Li-Ion charge termination capability and over discharge recovery systems. The charge termination system consists of a 2-stage timer and a C/10 charge current detector. The C/10 detector looks for the charger current to fall below 10% of the full-scale current and changes the timer period to 1/4 of the original period. The second time period is used to minimize undesirable float charge time conditions especially if a full battery is inserted into the charger. The watchdog timer period is set by a timing resistor.
The LTC4006 and LTC4007 also have a built in Li-Ion over discharge recovery system called preconditioning. If the initial voltage of the battery is below a preset value, the charger reduces its charge rate to 10% of the full scale current value and maintains that charge rate until the battery voltage goes above a set value.
Both ICs also have an auto-restart capability. If the battery voltage falls below a preset value, the charger automatically restarts the charge process to maintain full charge.
The LTC4006 and LTC4007 have a charge status signal, which indicates when the battery is being charged, and a current monitor pin, which monitors the actual charge current flowing into the battery.
Even though the LTC4008 does not have any of the charge termination timing and preconditioning functions, it does provided a C/10 status flag and charger current monitoring for the host system to use for the same purpose.
Charge Fault Management
All three of the ICs have built-in fault management systems that suspend or shut down the charger for various fault conditions.
The first line of defense is a user-adjustable temperature limit circuit that can work with both NTC or PTC type thermistors. When a temperature fault is detected, charging is suspended until the temperature returns to normal.
The LTC4006 and LTC4007 also monitor the timer state in the preconditioning phase and shut down the charger when the timer times out. The timer runs during this conditioning phase at 1/4 of the original timer period. If the battery voltage has not recovered above the set voltage point before the timer times out, the FAULT flag is set.
The C/10 flag, normally used to indicate an almost full battery, is also protected from premature tripping caused by an active input current limiting condition that forces the charge current to fall below the C/10 trip point. When the input current limit condition is removed, the C/10 flag is allowed to function again.
The LTC4007 and LTC4008 also provide an input current limit flag to tell the system when the adapter is running over 90% of it current capacity. An overvoltage comparator looks for sudden loss of a battery load, common in pulse charge applications, and instantly suspends PWM activity when the voltage goes above the programmed voltage by 7%. However, this is more than just a logic function. The charger stays suspended until the internal feedback loop catches up and reports the need to supply current to the load to maintain proper voltage regulation. In other words, recovery is under the analog feedback loop control.
High Performance
The LTC4006, LTC4007 and LTC4008 chargers are designed around a whole new architecture that is quasi-constant frequency, constant off time controller that switches continuously, even with no load current. Normally the charger operates over a wide duty cycle range like a traditional PWM controller running at 300kHz. However as the duty cycle enters the high 80% range, feed-forward circuits looking at VIN and VOUT determine a new nominal switching frequency below 300kHz. Under very low dropout, very high duty cycle conditions, the switching frequency could go down into the audible frequency range on its way to 0Hz (100% DC). However, the charger has an internal timer that prevents the charger from switching activity below 25kHz but still allows the IC to achieve a maximum 98% duty cycle. With a synchronous rectifier, not only are high current applications supported at efficiency levels greater than 95%, but the switching activity is continuous and independent of the load current. Under no load conditions, there is no pulse skipping which can both generate audible noise and provide poor load regulation. Current and voltage accuracy have been improved over older LTC battery chargers in this class. Current accuracy is now 4% typical with 5% over temperature for both charge current and input current limiting. Output voltage reference accuracy is now 0.8% typical with 1% over temperature.
Finally the ICs feature a reverse battery current blocking FET called the INFET (input FET) function, which uses a P-channel MOSFET located in series with the wall adapter power path. This MOSFET functions like a lossless ideal diode—replacing the large series diode that is used to prevent battery current from going back to the power adapter. The MOSFET is actively driven in a linear mode to maintain a constant 25mV forward voltage, which makes the MOSFET act as an ideal diode when forward current flows yet allows fast (10µs) cutoff when a current reversal is sensed.
Small PCB Footprint
Traditionally, high current chargers require a large number of external support components, but the LTC4006, LTC4007 and LTC4008 offer features to push solution size down.
For instance, N-channel MOSFETs are traditionally used in high current applications because of their lower RDS(ON). Today, P-channel MOSFETs offer the performance that N-channel MOSFETs were offering only a couple of years ago. Moving from an N-channel to a P-channel MOSFET drastically simplifies the design of the charger circuit. There are no boosted topside gate drive supplies to deal with, saving components and IC pins.
Increasing the switching frequency reduces the inductor size and output capacitance requirements. Loop response is also improved, further reducing the output capacitance such that small ceramic capacitors can be used. Using a 100mV regulation point for current sensing, small 1206 sized sense resistors can be used.
The INFET circuit is also used to generate the AC present flag without requiring an extra comparator to detect the presence of a power adapter. Finally, improved internal circuit design leads to further reduction in both pin count, part count and the size of each external component needed to make the IC work.
These features add up to an overall system solution that meets the needs of today’s smaller products.
Conclusion
The LTC4006, LTC4007 and LTC4008 integrate more functions in smaller circuit footprints than any high power battery charger IC available today.
The LTC4006 and LTC4007 provide simple standalone solutions for complete Li-Ion battery care without the need to write software programs and/or design a complex battery charger control system. The LTC4006 is targeted for applications where small circuit size is most important. If complete monitoring or limited host control of the charge process is desired, the LTC4007 offers a complete set of feedback, status and control signals. Finally, the LTC4008 is a general purpose charger that works with multiple battery chemistries by offering direct control over the entire charge process.