通过精确匹配的电阻网络提高差分放大器的共模抑制比
在各种应用领域,采用模拟技术时都需要使用差分放大器电路,如图 1 所示。例如测量技术,根据其应用的不同,可能需要极高的测量精度。为了达到这一精度,尽可能减少典型误差源(例如失调和增益误差,以及噪声、容差和漂移)至关重要。为此,需要使用高精度运算放大器。放大器电路的外部元件选择也同等重要,尤其是电阻,它们应该具有匹配的比值,而不能任意选择。

图 1. 传统的差分放大器电路。
理想情况下,差分放大器电路中的电阻应仔细选择,其比值应相同 (R2/R1 = R4/R3)。这些比值有任何偏差都将导致不良的共模误差。差分放大器抑制这种共模误差的能力以共模抑制比(CMRR) 来表示。它表示输出电压如何随相同的输入电压(共模电压)而变化。在最佳情况下,输出电压不应该改变,因为它只取决于两个输入电压之间的差值(最大 CMRR);但是,实际使用中情况会有所不同。CMRR 是差分放大器电路的重要特性,通常以 dB 来表示。
对于图 1 所示的差分放大器电路,CMRR 取决于放大器本身以及外部连接的电阻。对于后者,取决于电阻的 CMRR 在本文下述部分以下标"R"表示,并利用下式计算:

例如,在放大器电路中,所需增益 G = 1 且使用容差为 1%、匹配精度为 2% 的电阻产生的共模抑制比为

or in dB

在 34 dB时,CMRRR 相对较低。在这种情况下,即使放大器具有非常好的 CMRR,也无法实现高精度,因为链路的精度总是取决于其精度最差的环节。因此,对于精密的测量电路而言,必须非常精确地选择电阻。
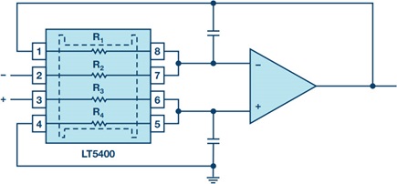
实际使用中传统电阻的阻值并不恒定。它们会受机械负载和温度的影响。根据需求的不同,可以使用具有不同容差的电阻或匹配电阻对(或网络),其大部分使用薄膜技术制造并具有精确的比值稳定性。利用这些匹配的电阻网络(如LT5400 四通道匹配电阻网络),可以大幅提高放大器电路的整体 CMRR。LT5400 电阻网络在整个温度范围内具有出色的匹配性,结合差分放大器电路使用则匹配性更佳,因而可确保 CMRR 比分立电阻提高两倍。

图 2. 带有 LT5400 的差分放大器电路。
LT5400 提供 0.005% 的匹配精度,从而使 CMRRR 达到 86 dB。
然而,放大器电路的总共模抑制比 (CMRRTotal) 由电阻 CMRR 和运算放大器共模抑制比 CMRROP 的组合构成。对于差分放大器,可利用公式 3 计算:

例如, LT1468提供的 CMRROP 典型值为 112 dB,采用 LT5400 的增益为 G = 1,其 CMRRTotal 的值为 85.6 dB。
或者,可以使用集成式差分放大器,如LTC6363。这种放大器在单芯片中内置放大器和最佳匹配电阻。它几乎消除了上述所有问题,同样也可提供较大精度,其 CMRR 值达 90 dB 以上。
结论
必须根据差分放大器电路的精度要求仔细选择外部电阻电路,以便实现系统的高性能。
或者,可以使用集成式差分放大器,如在单芯片中集成了匹配电阻的 LTC6363。
关于作者
他毕业于德国莫斯巴赫的联合教育大学电气工程专业,之后在德国康斯坦茨应用科学大学获得国际销售硕士学位。