采用 LTM4630 的高效率、6 相 80A 降压型稳压器
LTM4630 µModule (微型模块) 稳压器。封装中内置了开关控制器、功率 FET、电感器和所有的支持组件。LTM4630 可在一个 4.5V 至 15V 的输入电压范围内运作,支持两个输出电压范围均为 0.6V 至 1.8V (各由单个外部电阻器来设定) 的输出。其高效率设计能够为每个输出提供 18A 的连续电流。该器件支持频率同步、多相操作、突发模式 (Burst Mode) 操作以及用于电源轨排序的输出电压跟踪功能,并具有一个负责监视器件温度的内置温度二极管。
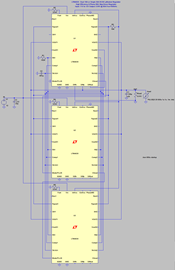
下面的电路是一款 6 相解决方案,其展现了 LTM4630 的高电流和效率。该电路支持一个 11V 至 13V 的输入电压范围,并可在 80A 电流下产生一个良好调节的 0.95V 输出。在本例中使用了 3 个并联的 LTM4630,从而凸显了这款器件的均流和热性能。

高效率、6 相 80A 降压型稳压器
LTM4630 提供了高电流和高效率的解决方案

Vin = 12V 和 Vout = 0.95V / 80A、Fsw = 500kHz 时的效率曲线
该设计可采用全陶瓷输出电容器 (26 x 100µF) 来实现,并仍可达到 <10mV 的稳态纹波。

在整个负载范围内实现了 <10mV 的稳态纹波
可通过增设一个前馈电容器来改善合理的环路性能 …

环路增益:带宽 = 59k 和相位裕量 = 44°
高开关频率和一种电流模式架构的运用实现了针对电压和负载变化的快速瞬态响应,并且未牺牲稳定性。

瞬态响应
在既无气流又无散热器的情况下,LTM4630 的温度上升至 64°C。当具有 200FPM 气流时,温升降低至 43°C。

热测试:无散热器
当有散热器但没有气流时,LTM4630 的温度上升至 46°C。在具有散热器和 200FPM 气流的情况下,LTM4620 的温度仅上升 20°C。

热测试 (具有散热器)
LTM4630 的引脚与 LTM4620 和 LTM4620A (双通道 13A,单通道 26A) 及 LTM4628 (双通道 8A,单通道 16A) 相兼容;采用 16mm x 16mm x 4.41mm LGA 封装和 16mm x 16mm x 5.01mm BGA 封装。