Configurable Input/Output Modes for PLC Systems Using the MAX22000 and MAX14914A
摘要
This application note describes MAX22000's internal building blocks which enable the configuration of Analog IO functions. The document features the device's input/ components that may be used in analog input and output configuration. Circuit configurations are shown for common industrial Analog modes.
Introduction
Historically, programmable logic controller (PLC) systems have fixed function IO cards (analog input, analog output, digital input, digital output) with challenges in wired marshalling cabinets, longer deployment and installation schedules, and inflexibility for future field updates. Devices that use configurable IO, such as the MAX22000 and MAX14914A, offer modular flexibility to data acquisition (DAQ), PLCs, and PAC (programmable automation controllers) systems by enabling analog or digital, input or output functionality at the same port. This combination offers significant advantages with on-the-fly software configuration by replacing manual wired marshalling with electronic marshalling and enables enhanced port density in an IO card.
Configurable Analog and Digital IO Devices
The MAX22000 is an on-the-fly, software-configurable, industrial-grade analog input/output (IO) device with voltage and current options. The MAX14914A is an industrial-grade digital IO device designed to complement the MAX22000 for universal IO applications. See Figure 1, which shows different IO modes for the industry-standard 4-terminal connectors that support 2, 3, and 4-wire modes of operation. Together, these devices enable a configurable analog/digital IO feature at the same terminal, which can support all common signal types and ranges as described in Table 1.
Figure 1. On-the-fly software-configurable IO.
Industrial Signals
Table 1 shows the typical industrial signal types, values, and impedance limits found within PLC applications as listed in the IEC 61131-2 standard for programmable controllers.
| IO Type | Signal Range | Impedance Limits | MAX22000/MAX14914A Range |
| Analog Input | ±10V | ≥ 10kΩ | ±10V* |
| 0 to 10V | ≥ 10kΩ | 0 to 10V | |
| 1V to 5V | ≥ 5kΩ | -5V to +5V | |
| 4mA to 20mA | ≤ 300kΩ | ±20mA | |
| Analog Output | ±10V | ≥ 1kΩ | ± 0V |
| 0 to 10V | ≥ 1kΩ | 0 to 10V | |
| 1V to 5V | ≥ 500Ω | -5V to +5V | |
| 4mA to 20mA | ≤ 600Ω | ± 20mA | |
| Digital Input | Types 1, 3, or 2 Current Sinking | 24V, IH for state 1 = 2mA min for Types 1, 3 | Pin-Selectable as Type 1, 3, or 2 |
| Digital Output | Current Source | Type 1, rated current for state 1 = 1A | 24VDC loads at up to 1A, High-side or push-pull options |
| *MAX22000 supports 25% over nominal ranges, for example ± 12.5V or 24mA. | |||
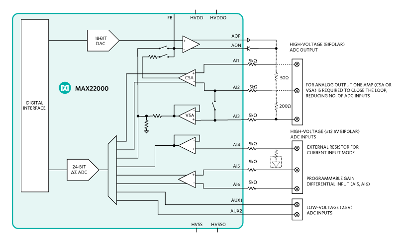
MAX22000 Configurable Analog IO
The MAX22000 industrial-grade analog IO is configurable on-the-fly using an SPI bus for configuration and control (Figure 2). The device features both analog output (18-bit DAC), analog input (24-bit delta-sigma ADC), and signal conditioning blocks that facilitate all fundamental analog input/output signals. The different building blocks, IO modes, and use-case examples for the MAX22000 are discussed in detail in Application Note 7134: MAX22000 Analog IO Configurations.
Figure 2. The MAX22000 as an analog IO.
The MAX22000, with its fast-settling 18-bit DAC and 24-bit delta-sigma (ΔΣ) ADC, offers seamless analog IO performance capable of a four-quadrant application as shown in Figure 3. This means it can output both positive or negative voltage and sink or source current regardless if the voltage is positive or negative. The MAX22000's great flexibility makes it ideal for operation in precision applications like data-acquisition cards, PLCs, PACs, and other process control systems.
Figure 3. Four-quadrant voltage/current application.
Accuracy, Precision, and Response Time
With a 24-bit ADC and an 18-bit DAC, the MAX22000 has very high accuracy specifications covering parameters such as gain and offset to enable as low as 0.02% worst-case accuracy at room temperature. In addition, a low ppm/°C reference and carefully matched components means the MAX22000 is ideal for precision systems requiring accurate performance over wide operating temperature ranges. Higher accuracy and precision with fast response time enables quicker decisions for automated processes to create robust, high-quality, and reliable solutions.
MAX14914A Configurable Digital IO
Typical PLC cards contain a higher number of digital IO ports with separate IO cards (if not for unique cases). This is not an optimized solution as these independent physical ports add space, design complexity, and power. Designers understand that having a flexible solution is the best way to go. The MAX14914A offers this flexibility as a digital IO function as shown in Figure 4.
Figure 4. The MAX14914A configuration offers flexibility for digital input or output.
The MAX14914A features selectable output types (push-pull or high-side) taking into consideration different types of available actuators. With only software configuration and no external modifications, the device can be set in digital input mode, which is compliant with the three types of threshold signaling levels.
Piecing It Together: The Configurable IO
The primary challenge when combining digital and analog IOs on a common node is that even though a digital pin is in high impedance, its leakage current can still create an error source for precision analog measurements. Maxim has solved this by creating a modified version of our popular digital IO product with very low leakage current to work seamlessly with MAX22000 for this application. Figure 5 shows the combination of two ICs (MAX22000 and MAX14914A) at the same terminal and the leakage current that is minimized by using this combination.
Figure 5. Leakage currents from MAX14914A at the terminal of the configurable IO using MAX22000 and MAX14914A.
Figures 6 and 7 show the output leakage characteristics of the MAX14914A at different conditions. Any current leakage into or from the terminal when a certain analog IO is used will be detrimental to performance. When the logic supply input is tied to DGND, the leakage characteristics on the positive 0 to +10V is negligible. Since the voltage posed is from 0 to -10V, well below the GND node of the operating supply of the device, the MAX14914A can withstand undervoltage while keeping leakage currents under 100µA for both the conditions. When the VL logic-supply input is tied to DGND, as shown in Figure 7, the magnitude of the current leakage is reduced by a factor of 2 when the output voltage is negative. With positive output voltages, the leakage currents are comparatively reduced by a factor of 100. At negative output voltages, calibrating to correct for the linear trend of leakage will help improve system accuracy.
Figure 6. MAX14914A output leakage (VL = HIGH/5V).
Figure 7. MAX14914A output leakage (VL = LOW/GND).
Maxim’s high-voltage process technology enables seamless operation of the MAX14914A and MAX22000 without the use of external protection devices. This maintains reliability and keeps the performance intact, as opposed to inducing system performance degradation due to leakage when adding external protection.
MAX22000 Evaluation Kit - Implementing and Testing Universal IO
The MAX22000 evaluation kit (EV kit) provides the hardware and software necessary to evaluate the MAX22000 industrial configurable analog IO, both natively, and in conjunction with the MAX14914A industrial digital IO. The MAX22000 EV kit communicates with a graphical user interface (GUI) that runs on a PC through a USB port as shown in Figure 8.
The Configurable IO tab allows all operating modes to be selected and the GUI illuminates the signal path(s) in use by the MAX22000 and/or the MAX14914A. In Figure 8, the digital input mode is selected and shows how the GIO pins on the MAX22000 are used to configure the MAX14914A for digital input operation, and then used to read the status of the input.
Figure 8. The MAX22000 EV Kit and GUI helps configure the MAX22000 and MAX14914.
The MAX22000 EV kit demonstrates the performance of the device over full temperature range for different operating modes, with the results presented in the Performance Over Temperature section. The configuration for each operating mode discussed in the following section can be realized using the MAX22000 EV kit with a block diagram included in the EV kit GUI.
Performance Over Temperature
Under universal IO conditions, the analog IO section comes under scrutiny as it must provide < ± 0.1% FSR error over temperature, combining all the error sources at the system level. In the following sections, the performance summary of each mode is observed.
1. Analog Input Voltage Mode (± 12.5V)
Figure 9 shows the analog input voltage configuration using the MAX22000 and MAX14914A.
Figure 9. Analog input voltage mode configuration.
Voltage from a precision calibrator is forced across terminals 1 and 4. In this case, AI3 is used to perform analog input acquisition. Figure 10 shows the error (%FSR) performance at different temperatures observed within ± 0.015%FSR.
Figure 10. Error (%FSR) performance for analog input voltage mode at different temperatures.
The voltage input presented at the terminals is generated, usually by sensors, which can handle leakage currents in the terminal, thereby not affecting its performance.
2. Analog Output Voltage Mode (± 10V)
Analog output is forced through the AOP and AON output from the DAC. The AI3 input feeds back the voltage measured at terminal 1 to the DAC, which maintains the desired voltage with resistive loads from 1kΩ to 100kΩ resistive loads as shown in Figure 11.
Figure 11. Analog output voltage mode configuration.
Calibration is done with no load and a load of 1kΩ. The effect of leakage current at terminal 1 is expected to create the worse-case error at the higher loads (100kΩ), but this error is compensated by the constant voltage feedback that is fed back to the internal circuitry of the analog output section through AI3. This maintains a constant desired set voltage at the terminals and there is no significant change to the performance of the system. A worse-case load of 1kΩ is considered in the following performance plot in Figure 13, showing the effect of loading on the AOP/AON DAC outputs.
Figure 12 shows the deviation or the error introduced due to addition of 1kO load after calibration. This gain error is observed to be within ± 0.005% FSR. Figure 13 observes the configurable IO performance in analog output mode with 1kO at different temperatures observed to be within ± 0.015%FSR.
Figure 12. Error (%FSR) for analog voltage output at different loads with calibration performed with no load.
Figure 13. Error (%FSR) for analog voltage output at different temperatures with 1kΩ load.
3. Analog Output Current Mode (± 20mA)
Analog current output source/sink is operated through the AOP, AON output from the DAC. The AI1 and AI2 inputs feedback the current measured across the precision resistor to the DAC, which maintains the desired current from a few ohms to 500Ω resistive loads as shown in Figure 14. Calibration is done with a 5O load and a worse-case load of 500Ω is assumed for the measurements.
Figure 14. Analog output current mode configuration.
The range of loading expected in a current loop application is 250Ω but could be 500O maximum. At 500Ω load with ± 20mA current across it, generates ± 10V (Figure 15). Hence, the leakage currents are more aggravated at -20mA to 0V range as compared to the positive side. The error performance of ± 20mA application can be observed in Figure 15 and, as expected, the performance with the negative loop current is in the range of 0.13%FSR over temperature. When compared to the positive direction of the loop current, the leakage currents are negligible, thereby maintaining high performance as observed in Figure 16 and Figure 17. Figure 16 shows the error introduced due to the inclusion of 500Ω and Figure 17 shows the error (%FSR) performance at different temperatures observed within 0.03%FSR.
Figure 15. Total error (%FSR) vs. ± 20mA output current.
Figure 16. Error (%FSR) for analog current output comparison with different loads (calibration performed with a 5Ω load).
Figure 17. Error (%FSR) for analog current output at different temperatures with a 500Ω load and positive loop currents.
The load in a current loop usually changes over a period as the industrial process matures over varying requirements and time periods on an industrial floor. Considering this condition, a universal current-loop transmitter application with unknown loads (a few ohms to 500O), the configurable IO (MAX22000 and MAX14914A) is intended to be used only in a positive direction (0-20mA).
As the above section shows, the effect of leakage from the MAX14914A when the output currents are negative are not negligible and is detrimental in achieving < 0.1% FS performance for any unknown load. But in most practical cases in a PLC environment, in a current-loop transmitter system during startup phase, the load is determined (detects open/short faults when an acceptable load is present). When the load is known and fixed, the errors can be compensated at negative currents during the calibration sequence with this known fixed load. Since the nature of error is linear, a single-point negative full-scale calibration can compensate for errors created to improve the error budget by a big margin.
4. Analog Input Current Mode (± 20mA)
A typical 4-20mA transmitter is a loop connected across a 500Ω load at terminals 1 and 4 as shown in Figure 18. The precision load converts current to voltage by 50Ω resistor, which is then measured across AI5 and AI6. Since the resistive load is known and is part of the function of the analog input, it is usually placed on board and is then calibrated. The effect of the leakage current is compensated during the calibration sequence. Figure 19 observes the error (%FSR) performance at different temperatures within ± 0.005%.
Figure 18. Analog input current-mode configuration.
To achieve system performance targets under 0.1%FS, choosing resistors with a temperature coefficient of 5ppm/°C to 10ppm/°C enables accurate performance. Consider a case of a 10ppm/°C tempco (temperature coefficient) 500Ω resistor. Over 100°C, the change in resistance is about ±0.5Ω, which yields a total error of ± 0.05%FSR. This leaves very little headroom for the error sources from other devices. The choice of a precision resistor will dictate the performance of the system.

Figure 19. Error (%FSR) for analog current output at different temperatures with a 500Ω load.
5. Analog Input Current (0-20mA) with Field Supply +24V
In the analog input current mode (see Figure 20), the HVDD/HVDDO is +32V and HVSS/HVSSO is -14V to accommodate the field supply at the terminals. The total absolute maximum voltage across HVDD and HVSS is 48V, hence -14V is used at HVSS/ HVSSO.
Figure 20. Analog input current mode with field supply +24V at terminal 1.
This unique mode is used with the internal DAC of the MAX22000, which provides the field supply at terminal 1 with +24V to the transducer (current transmitter). During such a condition, high-side sensing is done across the 50Ω precision resistor. When +24V is desired for the field supply, this mode only supports 0-24mA current. The AI1 and AI2 inputs of the current-sense amplifier are used to measure the current sourced to the sensor. The error source due to the leakage is negligible as 0-24mA and positive voltages at terminal 1 are considered. As shown in Figure 21, a 0.03% error shift at the zero scale is observed due to the nature of calibration. The calibration was performed with a current source at 0V at the terminals. When the +24V field supply is enabled due to normal operation of the application, the CMRR of the CSA introduces an error. When calibration is completed with a current source and +24V at the terminal, this zero-scale error shift is avoided. This mode provides a ±0.04%FSR error.
Figure 21. Error (%FSR) performance at different temperatures.
When better accuracy is required with the field supply, using a separate calibration sequence on the MAX22000 with the field supply configured will mitigate this issue.
Conclusion
Integrating both the MAX22000 and MAX14914A analog IO and digital IO blocks allows consolidation and efficient utilization of the input and output ports in an industrial or data acquisition application. By combining the MAX22000 and MAX14914A, a highly accurate precision system can be achieved over different input and output modes. The full-scale error performance shows that it is well suited for data acquisition systems (DAQ), industrial PLC, PAC, process control, and distributed systems targeted under 0.1 %FS accuracy. If provisions are taken into consideration to add a calibration sequence for the AO-current mode, the system is capable of performance with under 0.1%FS accuracy throughout a 4-quadrant V/I input and output system.