概览
设计资源
评估硬件
产品型号带"Z"表示符合RoHS标准。评估此电路需要下列选中的电路板
- EVAL-CN0372-PMDZ ($58.85) Ultralow Power, Multichannel Data Acquisition System with Energy Harvesting Circuit
- EVAL-SDP-CB1Z ($116.52) Eval Control Board
- SDP-PMD-IB1Z ($64.74) PMOD to SDP Interposer Board
优势和特点
- 超低功耗数据采集系统
- 4通道、12位分辨率
- 能量采集电源电路
参考资料
-
CN0372 Evaluation Board and Software User Guide2018/10/16WIKI
-
CN0372: 具有能量采集电路和报警功能的超低功耗、通用型、多通道数据采集系统 (Rev. 0)2015/12/16PDF807 K
电路描述
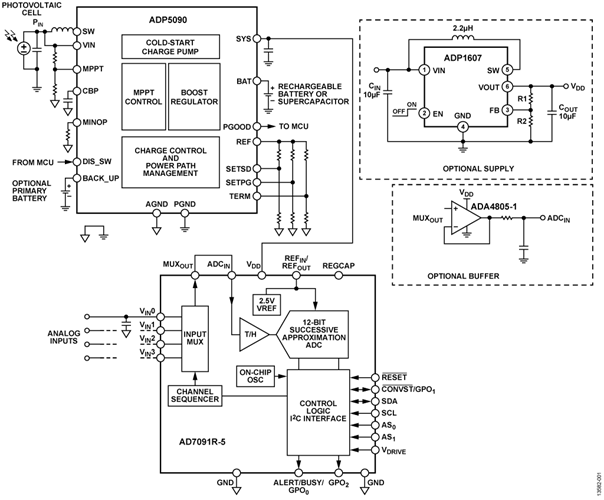
该电路为多通道系统监控提供了经过优化的低功耗紧凑型解决方案。这些特性对于尺寸和功耗属于关键系统规格的可穿戴和自供电应用而言尤为重要。
模数转换器
AD7091R-5是一款12位、超低功耗、逐次逼近型ADC。该器件采用2.7 V至5.25 V单电源供电。该ADC具有片上转换时钟、精密基准电压源和I2C接口,可采用标准(fSCL = 100 kHz)和快速(fSCL = 400 kHz)两种模式工作
AD7091R-5接口允许转换后进行数据读取,在快速模式下具有最高22.22 kSPS吞吐速率。转换过程与数据采集利用I2C接口和内部振荡器进行控制。该器件采用先进的设计和工艺技术,可实现极低的功耗,而性能则不受影响。REFIN/REFOUT引脚提供片上2.5 V精密基准电压源。
AD7091R-5具有自循环模式,允许用户将ADC配置为自治工作,适合用来监控超出用户定义范围的事件。该器件可在配置的时间间隔下自动转换,具体参见AD7091R-5数据手册中的表25。通常使用这种模式来监控选定的通道,其中限值寄存器设置为通过报警功能提示超量程情况。
能量采集器
ADP5090是一款集成式升压调节器,可转换光伏电池或热电发生器的直流电源。CN-0372板使用超级电容,能为小型电子器件和无电池系统供电。ADP5090能为从PV电池或TEG采集的少量能量提供高效率转换。ADP5090采用范围为16 μW至200 mW的输入电源工作,功耗为亚W级别。该器件为储能元件(可充电电池或超级电容)充电。
利用内部冷启动电路,调节器可在低至380 mV的输入电压下启动。该解决方案无需外部电池即可为电路供电(虽然也提供了备用电池选项),并可较大限度利用可采集能源。
ADP5090的SYS电压输出为整个电路供电,如图1所示。
电路设计
图2中的电路显示AD7091R-5 ADC所需的最小连接。

AD7091R-5的模拟输入范围为单极性0 V至VREF。该电路不支持负电压。虽然AD7091R-5集成宽带宽采样保持放大器并且可处理最高1.5 MHz的输入频率,但该电路经过测试,在快速模式下可解析最高2 kHz的较低频率。
AD7091R-5可访问多路复用器输出,在需要额外滤波的场合下,无需为每个通道采用信号调理电路。当前转换通道的输入信号出现在MUXOUT。ADC VIN引脚之前的滤波器截止频率约为8.6 MHz。这些滤波器可衰减ADC输入端的噪声,并吸收ADC的电荷反冲。建议使用低串联等效电阻以及尺寸合理的电容,可输出和吸收来自ADC的高频电荷反冲。
如果无需额外的滤波或信号调理,则将MUXOUT引脚直接连接ADCIN。通过I2C兼容串行总线控制AD7091R-5。
图3显示了ADP5090能量采集电路。该电路转换来自与J4端子相连的能量源,并将电荷存储在超级电容(C26)中,然后向整个电路供电

从PV电池或TEG采集的能量输入ENERGY_IN。当ENERGY_IN超过380mV时,ADP5090便冷启动。然后,器件退出冷启动,当SYS电压超过VSYS_TH,通常为1.93 V,启动主升压。PGOOD上的逻辑高电平等于SYS电压,当达到电池终端电压时,主升压充电器关断。
ADP5090升压调节器采用脉冲频率模式(PFM)工作,将保存在输入电容中的电能传输至SYS和C26超级电容(Cellergy CLG03P050F17,50 mF,3.5 V)。PGOOD阈值由外部连接器设置,表示SYS电压位于可接受电压水平,即

其中:
RPG1和RPG2是图3中的数值
VREF_ADP5090典型值为1.21 V。
ADP5090还配备了电池过充电和放电保护阈值,同样由外部电阻设置。
为了防止过充电,电池终端电压的上升阈值为:

其中,RTERM1和RTERM2是图3中的数值。
为了防止深度放电,电池放电关断电压的下降阈值为

其中,RSD1和RSD2是图3中的数值。
这些阈值电压如图4所示。

图3中的电路可通过SL7提供低能量状态备用选项,以加速冷启动。
有关完整文档包,包括原理图、电路板布局和物料清单(BOM),请参考:www.analog.com/cn/CN0372-DesignSupport。该电路兼容Digilent PMOD接口标准。
带能量采集电路的DAS测量结果
该电路支持图形用户界面,可方便地进行板上的器件配置,并评估电路性能。选项卡可执行器件配置以及显示噪声性能、直方图和寄存器读取。有关软件包的完整描述,请参见 CN-0372 软件用户指南。
图5和图6显示了电路的交流性能,其配置采用MUXOUT直接连接ADCIN,在1.25 V共模电压下具有2.4 V p-p、1 kHz正弦波。虽然默认配置可在SYS上生成3.3 V电源,本电路笔记中所有测量均采用针对3 V电源配置的外部电阻完成。


功耗通过以下公式计算:

其中:
PT是总消耗电能。
IT是总电流消耗,测量VDD串联输出电流。
VS是VDD端的电源电压。
电路未配置缓冲器,且VDD和VDRIVE来自SYS,功耗为34 μA。
常见变化
板上提供使用ADA4805-1的MUXOUT外部缓冲选项,以及使用备用电池为板载ADP1607调节器供电的选项,生成电路板供电轨。ADA4805-1消耗约为500 μA静态电流,但具有关断和根据吞吐速率调节的选项
图7显示了板载可选缓冲器电路。使用时,移除R6,SL9和SL12设为位置B,SL13设为位置A,并安装R43。该电路还提供所需的一切增益、衰减或电平转换功能。如图8所示,控制ADA4805-1 SHUTDOWN引脚可让用户动态管理功耗。通过评估软件调节SHUTDOWN信号占空比可大幅降低功耗


有关通过评估软件控制ADA4805-1功耗调节功能的更多详情,请参考CN-0372 软件用户指南。
采用功耗调节,则功耗的计算公式变为:

其中:
PT是总消耗电能
IQ是静态电流
tAMP, ON是ADA4805-1导通的时间。
ts是采样时间
VDD和VDRIVE来自SYS时,使用ADA4805-1并动态供电的总系统功耗低至70 A,且无性能下降,如图9所示。
表1显示了不同配置下电路的典型功耗
| 配置 | 电流 (μA) |
| 无缓冲器放大器 |
34 |
| AD7091R-5
完全关断 |
13.4 |
| AD7091R-5
完全关断,无内部基准电压源 |
0.5 |
| 缓冲器放大器始终导通 |
530 |
| AD7091R-5
完全关断 |
520.4 |
| AD7091R-5
完全关断,无内部基准
电压源 |
507.3 |
| 采用缓冲器放大器进行动态功耗调节 |
参见图9 |
不同占空比下的系统典型性能和功耗,如图9所示。

图10显示了ADP1607可选电路,可通过SL7配置为通过B3备用电池供电,如图3所示。

输出电压由R28和R29外部电阻配置为3V,使用的公式如下:

其中:
VFB = 1.259 V.
IFB = 0.1 μA.
电路评估与测试
EVAL-CN0372-PMDZ板包含要评估的电路。本电路采用EVAL-CN0372-PMDZ电路板、SDP-PMD-IB1Z转接板和EVAL-SDP-CB1Z系统演示平台(SDP)板。PMOD转接板和SDP控制器板采用120引脚对接连接器。转接板和EVAL-CN0372-PMDZ板采用12引脚PMOD接口2A类和8引脚I2C接口对接连接器,可快速设置和评估电路性能。SDP控制器板配合 CN0372 评估软件使用,可捕捉数据并将结果呈现给用户
| 引脚编号 | 信号 | 描述 |
| 1 | CONVST/GPO1 |
链接 AD7091R-5 CONVST/GPO1 引脚. |
| 2, 3, 4 | NC | 不连接 |
| 5, 11 | GND | 链接到 GND |
| 6, 12 | VDD_PMOD | 链接到 PMOD 电源. |
| 7 | ALERT | 链接到 AD7091R-5 ALERT 引脚. |
| 8 | RESET | 链接到 AD7091R-5 RESET 引脚. |
| 9 | PMOD_GPIO1 | 链接到 ADA4805-1 SHUTDOWN 引脚. 还通过 SL2 连接到 ADP5090 DIS_SW 引脚. |
| 10 | PMOD_GPIO2 | 链接到 ADP5090 PGOOD 引脚. |
| 引脚编号 | 信号 | 描述 |
| 1, 2 | SCL | 连接到 AD7091R-5 SCL 引脚 |
| 3, 4 | SDA | 连接到 AD7091R-5 SDA 引脚 |
| 5, 6 | GND | 连接到 GND |
| 7, 8 | VDD_PMOD | 连接到 PMOD 电源 |
设备要求
需要以下设备
- 带USB端口和Windows® XP、Windows Vista®(32位)或Windows 7(32位)PC
- EVAL-CN0372-PMDZ 电路评估版
- EVAL-SDP-CB1Z SDP 控制器版
- SDP-PMD-IB1Z 转接板
- 8引脚IDSD-04-D柔性电缆:需要在EVAL-CN0372-PMDZ和SDP-PMD-IB1Z板之间(包括EVAL-CN0372-PMDZ板)连接I2C接口。
- CN0372 评估软件
- 电源: 6 V 壁式电源适配器
- USB 电缆
- SRS DS360 超低失真函数发生器或类似的精密源
- Cymbet CBC-PV-01 PV 电池:典型工作电压为0.8 V,输出电流大约为200 μA(200 Lux荧光灯)
开始使用
将电路板连接到PC前,安装CN0372 评估软件。评估软件的最新版本可从以下地址下载:ftp://ftp.analog.com/pub/cftl/CN0372。按照屏幕提示完成安装。建议将所有软件安装在默认位置。
以需要的调节器配置连接EVAL-CN0372-PMDZ,并将电路评估板连接到SDP-PMD-IB1Z转接板。
将EVAL-CN0372-PMDZ板上的I2C接口通过8引脚柔性电缆连接到SDP-PMD-IB1Z转接板。
将SDP-PMD-IB1Z板连接到EVAL-SDP-CB1Z控制器板。对SDP-PMD-IB1Z板施加电源,并将EVAL-SDP-CB1Z SDP控制器板通过提供的USB电缆连接PC。打开评估软件,开始评估
EVAL-SDP-CB1Z相关信息可参阅SDP用户指南 (UG-277)。
功能框图
图11显示了用于电路评估的测试设置功能框图。

电源配置
将低功耗、高阻抗直流源(比如Cymbet CBC-PV-01 PV电池或TEG)连接到J4端子,将SL4和SL5放在位置A,然后打开评估软件。这样可以将ADP5090能量采集电路用作系统电源。有关完整的电源选项请参见表4和表5。
表6包含EVAL-CN0372-PMDZ上所有焊接链路的完整描述。
| VDD | 焊接链路位置 | |
| SL5 | SL7 | |
| ADP5090 SYS | A | A |
| ADP1607 VOUT | B | B |
| VDrive | 焊接链路位置 | |
| SL3 | SL4 | |
| ADP5090 SYS | A | B |
| ADP1607 VOUT |
B | B |
| VDD_PMOD | 不连接 | A |
| 链接 | 默认值 | 描述 | |
| SL1 | A | 该链路配合SL7使用,将A连接到中心。 A到中心,连接ADP5090 BACK_UP引脚至CR2302电池。 B到中心,连接ADP5090 B_CHRG引脚至靠近超级电容的R36。 |
|
| SL2 | A | 该链路选择ADP5090 DIS_SW引脚连接。 A到中心,连接ADP5090 DIS_SW引脚至地。 B到中心,连接ADP5090 DIS_SW引脚至PMOD_GPIO1(J3引脚9)。 |
|
| SL3 | A | 该链路选择VDRIVE连接,以及SL4。 A到中心,连接ADP5090 SYS引脚至VDRIVE。 B到中心,连接ADP1607 VOUT引脚至VDRIVE。 |
|
| SL4 | A | 该链路选择VDRIVE源。 A到中心,连接VDD_PMOD至VDRIVE。 B到中心,通过SL3连接VDRIVE到ADP1607或ADP5090输出。 |
|
| SL5 | A | 该链路选择VDD源。 A到中心,连接ADP5090 SYS输出至VDD。 B到中心,连接ADP1607输出至VDD。 |
|
| SL6 | open | SDP-I-PMOD未使用时,该链路选择VDD_PMOD源。 A到中心,连接ADP5090 SYS输出至VDD_PMOD。 B到中心,连接ADP1607输出至VDD_PMOD。 |
|
| SL7 | A | 该链路选择CR2032电池路径。 A到中心,连接电池至SL1,作为备用(SL1连接A至中心)或为超级电容充电 (SL1连接B至中心)。 B到中心,连接电池至ADP1607 VIN引脚。 |
|
| SL8 | B | 该链路用来选择ADP1607 EN引脚连接。 A到中心,连接EN至GND,并关断同步升压。 B到中心,连接EN至ADP1607 VIN引脚,并开启同步升压。 |
|
| SL9 | B | 该链路选择MUXOUT连接。 A到中心,连接MUXOUT至ADA4805-1反相输入。 B到中心,连接MUXOUT至ADA4805-1同相输入(如果SL12位于位置B)。 |
|
| SL10 | A | 该链路选择AS0连接。 A到中心,连接AS0至GND。 B到中心,连接AS0至VDRIVE。 |
|
| SL11 | A | 该链路选择AS1连接。 A到中心,连接AS1至GND。 B到中心,连接AS1至VDRIVE。 | |
| SL12 | B | 该链路选择可选缓冲器。 A到中心,连接REF至ADA4805-1同相输入。 B到中心,连接MUXOUT至ADA4805-1同相输入(如果SL9位于位置B)。 |
|
| SL13 | A | 该链路选择ADA4805-1 SHUTDOWN连接。 A到中心,连接SHUTDOWN至PMOD_GPIO1。 B到中心,连接SHUTDOWN至VDD源,在SL5中选择。 |
|
设置与测试
电路板上电并初始化评估软件后,将ADC设为转换所需的通道。在J1端子引入输入信号,单击单次捕捉或连续捕捉,然后观察结果。
如需测试报警功能,可在评估软件的评估选项卡上设置下限或上限,然后观察设置范围外的LED报警指示器。




