概览
设计资源
设计与集成文件
• Schematic• Bill of Materials
• Gerber Files
• Layout Files (Allegro)
• Assembly Drawing 下载设计文件 612.07 K
评估硬件
产品型号带"Z"表示符合RoHS标准。评估此电路需要下列选中的电路板
- EVAL-ADICUP360 ($60.92) EVAL-ADICUP360
- EVAL-CN0394-ARDZ ($67.68) EVAL-CN0394-ARDZ
优势和特点
- Flexible 4-channel thermocouple system
- Cold junction compensation
- Arduino-compatible interface to ADICUP360
参考资料
-
EVAL-CN0394-ARDZ Shield2018/10/16WIKI
-
CN0394: 带Arduino兼容模拟接口的灵活、低功耗、4通道热电偶系统 (Rev. 0)2016/11/4PDF305 K
电路功能与优势
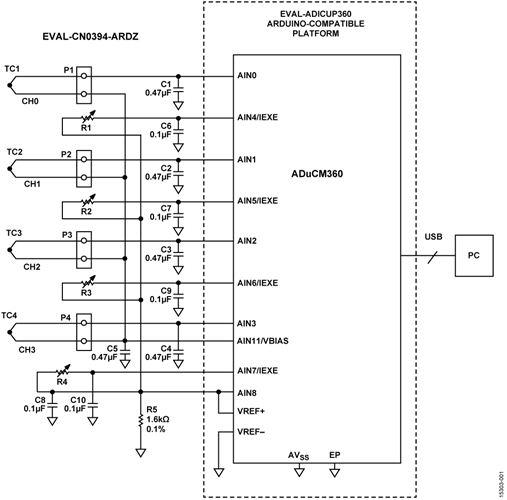
图 1 所示电路是一种灵活的集成式 4 通道热电偶测量系统,基于Arduino兼容 EVAL-ADICUP360 平台, 包含 ADuCM360 低功耗精密模拟微控制器。ADuCM360 具有 ARMCortex™-M3 处理器内核、多种外设和精密模拟功能,包括双通道24 位 Σ-Δ 型模数转换器(ADC)、多路复用器、可编程增益放大器(PGA)以及基准电压源。

该电路最多可支持 4 个独立的热电偶通道,软件线性化算法支持 8 种不同类型的热电偶(B、E、J、K、N、R、S 和T)。4 个热电偶可以按任意组合进行连接,各热电偶通道上的电阻温度检测器(RTD)提供冷端补偿(CJC)。无需额外的补偿。采用此系统的热电偶测量可覆盖各种类型热电偶的全部工作范围。
该电路与 EVAL-ADICUP360 Arduino 兼容平台对接,支持快速开发原型。利用 USB 转 UART 接口和开源固件, EVAL-CN0394-ARDZ 和 EVAL-ADICUP360 组合可以轻松支持不同热电偶应用。
电路描述
温度测量简介
热电偶是工业应用中最常用的温度测量传感器之一,其成本低,坚固耐用,可重复性好,并具有很宽的工作温度范围和快速响应时间。热电偶特别适合高温测量(C 型热电偶最高可测量 2300°C 的温度)。
热电偶由两条不同金属线连接而成,如图 2 所示。

一端放置在需要进行温度测量的地方,称为测量端(TTC)。热电偶的另一端连接精密电压测量系统,该连接称为参考端,或者称为冷端(CJ)。测量端 TTC和冷端 TCJ之间的温差产生一个电压 VTC − VCJ,,它是由两个端点之间的温差引起的。产生的电压通常为数微伏至数十毫伏不等,具体取决于温度差值和热电偶类型。
冷端补偿(CJC)
必须将热电偶产生的电压转换为温度。将测得的电压转换为精确的温度是很困难的,因为热电偶电压很小,温度与电压不是线性关系,而且还必须准确测量冷端温度。
热电偶的总输出电压是由热电偶与冷端的温差引起的。图2 显示,冷端温度使用另一种温度敏感器件来测量,其通常是热敏电阻、二极管、RTD 或半导体温度传感器。用于此电路的温度检测器件为 Pt1000 RTD,每个通道都有一个RTD 以保证精确测量。
图 2 中,总热电偶电压 VTC – VCJ利用 ADuCM360 中的精密ADC 测量,并通过下式转换为数字格式:

其中:
VTC − VCJ为实测热电偶电压。
VREF为测量所用基准电压。对于本电路,内部 1.2 V 基准电压用于热电偶测量。
CODE 为 ADuCM360 ADC 数据寄存器(ADCxDAT)中的 28位字,增益为 8。
一个恒流源 IEXE(从 ADuCM360 获得)驱动 RTD 和 1.6 kΩ精密基准电阻 R5 的串联组合。CN-0394 电路的 IEXE 设置为620 μA,其产生的标称VREF为1.6 kΩ × 620 μA = 0.992 V,RTD 上有 1 kΩ × 620 μA = 0.62 V 的压降。R5 两端的电压用作 ADC 的基准电压。RTD 电阻 RRTD利用下式计算:

其中:
R5 为基准电阻,R5 = 1.6 kΩ。
CODE 为 ADuCM360 ADC 数据寄存器(ADCxDAT)中的 28位字,增益为 1。
在 CN-0394 电路中,热电偶电压和 RTD 电压均通过ADuCM360 24 位 ADC 转换。注意测量为比率式,不取决于基准电压的精度或 IEXE 激励电流的值。
RTD 电阻 RRTD 通过查找表或多项式公式转换为冷端温度TCJ。RTD 传递函数即所谓 Callender-Van Dusen 公式,它由两个不同的多项式公式组成,可提供更精确的结果,CN-0394 软件即使用该公式。有关这些 RTD 公式的详细说明,参见电路笔记 CN-0381。
冷端温度 TCJ通过 ITS-90 热电偶数据库中的公式转换为相应的热电偶电压 VCJ。CN-0394 软件使用 ITS-90 多项式公式而非查找表来执行此转换。
软件将总热电偶电压(VTC− VCJ)与冷端 VCJ相加以获得热电偶 EMF VTC。
然后利用 ITS-90 逆公式将热电偶 EMF VTC转换为等效热电偶温度 TTC。
关于热电偶原理、线性化表、公式和冷端补偿,请参阅 NIS TITS-90 热电偶数据库和 NIST 标准参考数据库 60 2.0 版(位于 NIST 网站)。关于热电偶和温度测量的一般理论,请参阅《传感器信号调理》第 7 章。
模数转换
CN-0394 电路利用 ADuCM360 集成的双通道 24 位 Σ-Δ 型ADC 执行转换。ADuCM360 内置一个输入多路复用器,并集成一个增益选项为 1 至 128 的 PGA。ADuCM360 可配置为 6 路差分输入或 12 路单端输入。
ADuCM360 还提供多个滤波器选项和多种输出数据速率,确保为用户带来最大的灵活性。
PGA 可将很小的热电偶电压放大到最适合内部 Σ-Δ ADC的水平。合理的增益设置由热电偶信号幅度和基准电压值决定。CN-0394 软件支持 8 类热电偶:B、E、J、K、N、R、S 和T 型。
不同热电偶具有不同的范围和灵敏度,如图 3 所示。例如,J型热电偶由铁和康铜连接而成,测量范围约为-210°C至+1200°C,灵敏度为 55 μV/°C。

因此,利用 ADuCM360 的集成 PGA,可以检测热电偶的小电压并将其精确转换为数字信号。
冷端温度范围是 0°C 至 50°C;为确定最大和最小输出电压范围,须考虑各类热电偶的电压摆幅,并且不要忘记从热电偶电压减去的冷端电压分量。E 型热电偶需要的范围最宽,如表 1 所示。
| 输出 | 热端 | 冷端 | 电压 |
| 最大值 | 1000°C | 0°C | 76.4mV |
| 最小值 | −270°C | 50°C | −12.88mV |
采用内部 1.2 V 基准电压且将 PGA 增益设置为 G = 8时,ADuCM360 ADC 双极性差分输入范围为±125 mV。此范围涵盖了所有 8 类热电偶的输出电压范围,故而无需外部信号调理电路;对所有类型热电偶,PGA 都可以使用固定增益 8。24 位分辨率支持测量信号范围很小的热电偶(例如 B 型),无需进行增益调整。热电偶以差分模式连接到 ADC,负输入连接到 ADuCM360 提供的 900 mV共模偏置电压。
EVAL-CN0394-ARDZ 板有 4个迷你 U型插口热电偶连接器(Omega PCC-SMP-U-100),用于连接热电偶连接器。冷端形成于连接器触头处,冷端补偿 RTD 靠近连接器。
CN-0394 电路使用简单的 2 线 RTD 连接,但 ADuCM360 包含可编程激励电流,可用于 2 线、3 线和 4 线 RTD。关 于 3 线和 4 线应用的详细信息,请分别参阅电路笔记CN-0381 和 电路笔记 CN-0383。
系统噪声测量和结果
系统噪声必须很低才能精确测量热电偶输出的微小电压。图 4 所示为热电偶连接器在一个短路的通道上采集的 512个样本的直方图。ADuCM360 sinc3 滤波器开启,斩波模式使能,数据速率为 50 Hz。

从直方图可知,折合到输入端的峰峰值噪声为 2.51 µV。对于 125 mV 的满量程输入,无噪声码分辨率可计算如下:

系统热电偶测量和结果
为了进行热电偶系统测量试验,需要知道宽温度范围内热电偶温度的准确数据。油浴法很准确,但其温度范围有限,而且稳定过程很慢。
精确的热电偶仿真器可以代替油浴法,比如 Time Electronics 1090 温度校准器就是很有吸引力的选择。图 5所示为说明仿真器测试原理的框图。

该仿真器允许用户输入热电偶类型和温度以及冷端温度。然后,仿真器利用 ITS-90 表和公式将热电偶温度 TTC和冷端温度 TCJ转换为相应的电压 VTC和 VCJ。再将 VCJ从 VTC中扣除,以便得到仿真器输出电压 VTC – VCJ。
仿真器的整体精度取决于热电偶类型和温度,典型值介于0.5°C 和 2°C 之间。
注意,仿真器并不测试系统冷端补偿电路的精度,后者必须通过额外连接的热电偶单独测试。
图 6 显示了 E、J、K、N 和 T 型热电偶的仿真温度与测量温度之间的误差,图 7 显示了 B、R、S 型热电偶的误差。测量之前对 ADuCM360 ADC 进行了零电平和满量程校准。


图 6 和图 7 所示误差是以下误差源之和:
- 仿真器误差(0.15°C 至 3°C,取决于类型和范围)
- ADC 基准电压精度(0.2%)
- ADC 内部校准之后剩余的系统失调和增益误差(小于10 μV)
- ADC 非线性误差(15 ppm FSR;FSR = 125 mV 时,其为 1.9 μV)
- ITS-90 公式误差(0.001°C 至 0.06°C 不等,取决于类型和范围)
基准电压误差(ADuCM360 内部基准电压为 0.1%)引起系统增益误差,在高温时可能贡献数摄氏度的误差。
B、R、S 型热电偶具有较小的赛贝克系数,对失调误差更为敏感。
ADuCM360 非线性误差和 ITS-90 公式误差相对于其他误差源均可忽略不计。
对于所有 8 种标准热电偶的各自范围,图 6 和图 7 所示的测量数据在其精度规格以内。
为实现更高精度,尤其是 B、R、S 型热电偶,必须利用精密外部电压源执行系统级零电平和满量程校准。
也可以使用 ADR4525(初始精度为 0.02%)等精度更高的外部基准电压源来使增益误差最小。
冷端补偿按如下方法进行测试:将 J 型热电偶连接到一个 通道,热电偶维持在环境温度,在 ThermoStream 或 Thermonics 温度控制器的控制下循环改变 CN-0394 板的温 度。选择 J 型热电偶的原因是其对温度变化的灵敏度较高。
测量在 0°C、25°C 和 105°C 的冷端温度下进行结果如图 8所示。

EVAL-CN0394-ARDZ 硬件的完整文档,包括原理图、布局文 件、Gerber 文件和物料清单,位于 CN-0394 设计支持包中.
系统设计权衡
EVAL-CN0394-ARDZ 板设计具有非常大的灵活性,支持四个独立热电偶输入通道的任意组合,电路设计使用最少的额外元件。
如果在测量之前执行系统级零电平和满量程校准,则ADuCM360 中的 ADC 可提供更高的精度。
如果 ADuCM360 输入配置为差分工作模式,并且为各通道增加输入抗混叠滤波器,则还能改善噪声性能。典型滤波 器配置如图9所示,其中R1+R2和C3 形成一个差分模式滤波器(带宽约为800Hz),R1/C1和R2/C2形成共模滤波器(带宽约为 16 kHz)。
利用 RTD 和热电偶电路实现较优性能的更多设计技巧,参见 电路笔记 CN-0381, 电路笔记 CN-0383和 电路笔记 CN-0384.

ADuCM360 通过直接编程控制可配置为许多低功耗工作模式,包括休眠模式(内部唤醒定时器有效),此时能耗仅为4µA。在休眠模式下,诸如外部中断或内部唤醒定时器等外设可以唤醒该器件。该模式可让器件在功耗极低的情况下运行,同时仍然响应外部异步或周期事件。
常见变化
ADuCM360 内部1.2V 基准电压源的初始精度为±0.1%。如需更高精度和更低的满量程增益误差,可使用ADR4525 2.5V±0.02% 基准电压源。
电路评估与测试
本电路使用 EVAL-CN0394-ARDZ Arduino 扩展板和EVAL-ADICUP360 Arduino 平台板。这两片板很容易插接起来,EVAL-CN0394-ARDZ 在上方,EVAL-ADICUP360在下方。热电偶插入 EVAL-CN0394-ARDZ 板的P1至P4插口。
系统通过 EVAL-ADICUP360 板的 USB 接口连接到 PC。两片板均由USB5V电源供电。RTD传感器已安装到EVAL-CN0394-ARDZ 印刷电路板(PCB)上。
设备要求
需要以下设备:
- USB2.0 端口和Windows®7(64位)或更高版本的PC
- EVAL-CN0394-ARDZ Arduino 兼容电路评估板
- EVAL-ADICUP360 开发板或 Arduino 兼容平台板
- B、E、J、K、N、R、S 和 T 型热电偶的任意组合(总共4个),或Time Electronics 1090 温度校准器或同等 产品
- ADuCM360 软件(IDE),参见 CN-0394 用户指南
- 串行终端软件,例如 PuTTY 或 Tera Term
- USB A 转 USB 微型电缆
- EVAL-CN0394-ARDZ 演示代码(参见 CN-0394 用户指南)
开始使用
选择 EVAL-ADICUP360 板上的正确跳线设置。跳线设置详见 CN-0394 用户指南。
将EVAL-CN0394-ARDZArduino扩展板插入EVAL-ADICUP360Arduino 兼容平台板。将热电偶传感器连接到 EVAL-CN0394-ARDZ 板。将用户 USB 端口连接到 PC。各通道使用 OMEGA 公司兼容式连接器连接热电偶,这样可以 简化不同类型热电偶的插拔。选择 U 补偿类型连接器,使得板上的所有通道(P1 至 P4)都能相互通用。
将项目演示代码载入 ADuCM360 IDE,请按照 工具链设置用户指南中的说明操作。
务必按照 CN-0394 用户指南中的说明,针对 P1、P2、P3和P4上的热电偶类型配置软件。
程序运行时,系统会计算输出数据并在终端窗口上显示。
关于Arduino 尺寸兼容 ARM Cortex-M3 开发平台(EVAL-ADICUP360)的信息,请参阅 EVAL-ADICUP360 用户指南。
功能框图
测试设置的框图如图 10 所示。

测试
示例代码经编译并加载到 EVAL-ADICUP360 上且将EVAL-CN0394-ARDZ 插接在上面之后,器件与 PC 通信,连续更新并显示各通道的下列信息:
- 通道数和热电偶类型
- RTD 电阻
- 线性化 RTD 温度(冷端温度
- 线性化热电偶温度
如果所选热电偶的最终线性化温度超出 ITS-90 公式定义的范围,则会显示警告消息。其他编程选项详见 CN-0394 用户指南。
11 显示 EVAL-CN0394-ARDZ 板的实物照片。




