文档
-
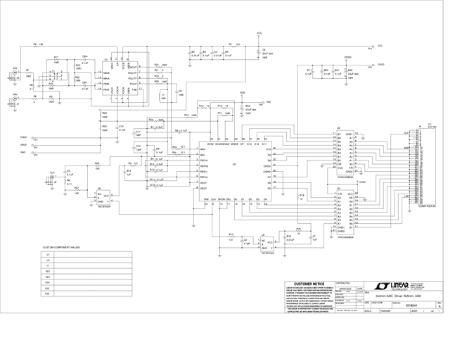
DC900A - Schematic2009/9/24PDF40K
-
DC900A - Demo Manual2009/9/24PDF1M
-
DC900A - Design File2009/9/24ZIP877K
