概览
产品详情
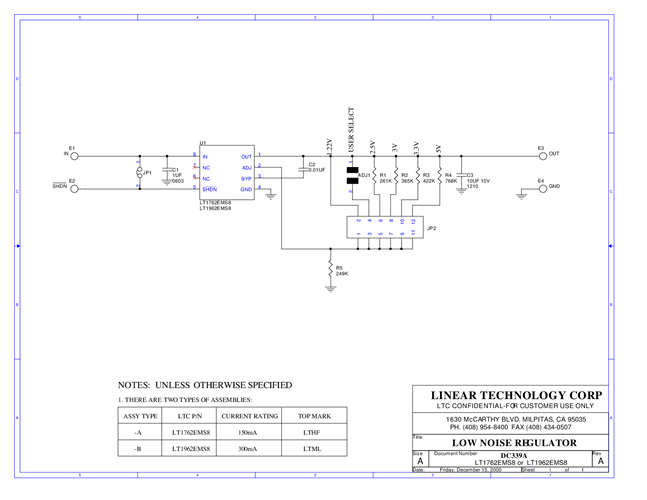
Demonstration circuit DC339-B is a low noise micropower voltage regulator using the 300mA output current LT1962 linear regulator in an 8-lead MSOP package. The demo board has an input voltage range from 2.3V to 20V and a jumper-selectable output votlage that can be set to 1.22V, 2.5V, 3.0V, 3.3V, 5V or a user-defined value. The LT1962's low 20µVRMS (10Hz to 100kHz bandwidth) output noise and low 30µA quiescent current make the device ideal for voltage-controlled oscillators, RF power supplies and local regulators in larger systems.
文档
-
DC339A - Schematic2009/9/24PDF12K
-
DC339A - Demo Manual2009/9/24PDF196K
-
DC339A - Design File2009/9/24ZIP243K
