概览
产品详情
DC296A演示板适用于:
LT1361双通道和四通道50MHz、800V/µs运算放大器
LT1210 1.1A、35MHz电流反馈放大器(CFA)
文档
-
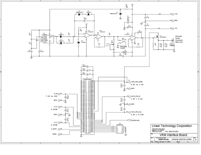
DC296A - Schematic2009/9/24PDF89K
-
DC296A - Demo Manual2009/9/24PDF103K
-
DC296A - Design File2009/9/24ZIP145K
