文档
-
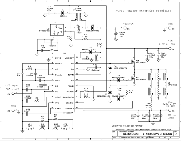
DC224A - Schematic2009/9/24PDF67K
-
DC224A - Demo Manual2009/9/24PDF102K
-
DC224A - Design File2009/9/24ZIP398K
