概览
产品详情
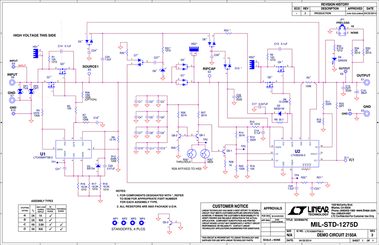
演示电路2150A使用LTC4366-2和LT4363-2浪涌抑制器以满足MIL-STD-1275D要求。该规范由美国国防部制定,规定了由军用车辆28V电源供电的电气系统要求。面对MIL-STD-1275D较高的浪涌、尖峰和纹波条件时,DC2150A的输出电压限制为44V。大多数情况下,只需在可承受44V电压的器件前面配置此电路即可满足MIL-STD-1275D要求。除±7V纹波条件(14V峰峰值)以外,默认版本DC2150A-C均提供最小4A的输出电流。在纹波条件下,DC2150A-C为负载提供最小2.8A的电流。在输入纹波条件下超过2.8A可能会导致DC2150A-C超时和关断,其时间小于MIL-STD-1275D一分钟的纹波穿越要求。
文档
-
DC2150A - MET Labs EMC Test Report2014/9/23PDF1M
-
DC2150A - Schematic2014/9/22PDF76K
-
DC2150A - Demo Manual2014/9/22PDF439K
-
DC2150A - Design Files2014/9/22ZIP1M
-
Surge Stoppers Ease MIL-STD-1275D Compliance2014/11/25




