概览
产品详情
该评估板已停产且不再推荐使用。替代板为DC1905B。
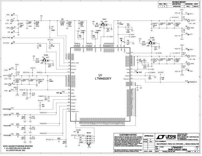
演示电路DC1905A内置LTM4633EY,这是一款高效率、三通道10A降压型电源μModule®稳压器。使用公共输入源时,输入电压范围为4.7V至16V;使用外部偏置电源时,输入电压范围为2.375V至16V。通道1和通道2的输出电压范围为0.8 V至1.8V,通道3为0.8 V至5.5V。某些VIN、VOUT、频率和热条件须降额使用。DC1905A提供TRACK/SS引脚,用户可以通过这些引脚设置输出跟踪或软启动周期。在重负载条件下,该板在连续导通模式下工作。为在低负载电流下实现高效率,对于噪声敏感应用,MODE跳线(JP4)选择跳脉冲模式,对非噪声敏感应用,则选择突发工作模式(Burst Mode®)。通道1和通道2可以并联连接,通过可选的跳线电阻实现单个20A输出解决方案。
相关产品
文档
-
DC1905A - Schematic2013/9/17PDF105K
-
DC1905A - Demo Manual2013/8/15PDF1M
-
DC1905A - Design Files2013/9/17ZIP1M
