概览
产品详情
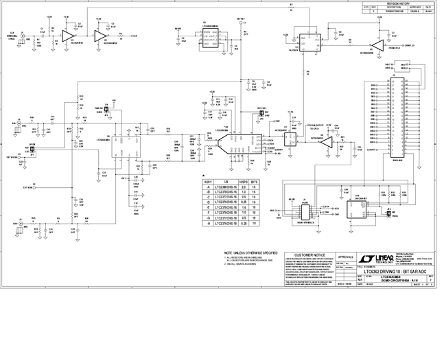
LTC6362是一款具有轨到轨输入和输出摆幅的低功耗、低噪声差分运算放大器,经优化可驱动低功耗SAR ADC。该放大器可配置为缓冲全差分输入信号或将单端输入信号转换为差分输出信号。
文档
-
DC1805A - Schematic2012/5/16PDF103K
-
DC1805A - Demo Manual2012/5/16PDF753K
-
DC1805A - Design Files2012/5/16ZIP2M
