概览
产品详情
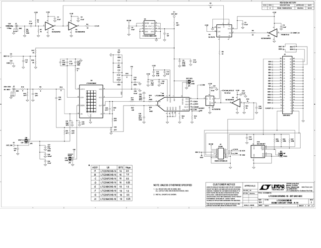
DC1796A-C演示板适用于:
具有真零输出的极低噪声单端SAR ADC驱动器LTC6360
具有94.7dB SNR的16位、500ksps、伪差分单极性SAR ADC LTC2367-16
文档
-
DC1796A - Schematic2012/6/21PDF105K
-
DC1796A - Demo Manual2012/6/21PDF1M
-
DC1796A - Design Files2012/6/21ZIP1M
