概览
产品详情
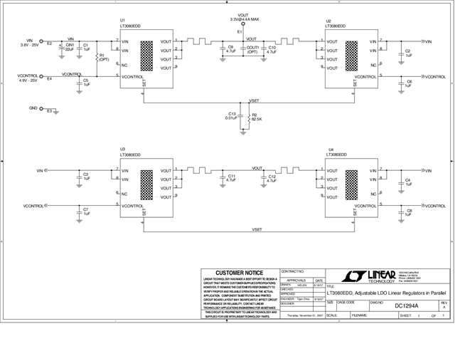
演示电路1294A使用LT3080执行四个并联的可调线性稳压器。并行操作需要小型20 mΩ镇流电阻。较短的PCB走线可以轻松实现此目的。并联器件在3.3V时提供高达4.4A的输出电流。
LT3080构建作为精密电流源和电压跟随器,可用于许多需要高电流、调整为零输出且无需散热器的应用。配合多个电源使用时,该器件会引出调整管的集电极以实现低压差工作。LT3080的输出电压可以编程为在0V和36V之间的任何电平;不过,由于输入电容电压额定值,演示板具有3.8V至25V的较低输入电压范围。
文档
-
DC1294A - Schematic2009/9/24PDF28K
-
DC1294A - Demo Manual2009/9/24PDF297K
-
DC1294A - Design File2009/9/24ZIP674K



