概览
优势和特点
- 可变电压范围为 72 V 至 96 V,适用于 E2W/E3W 应用
- 符合 ASIL-D 标准的汽车级 BMS 芯片
- 内置充电、预充电和放电电路
- 电池电压监测的总测量误差 (TME) 为 1.8 mV
- 高性能电池/电池组电压和电流监控
- 板载 isoSPI 通信
- 低功耗电池监控 (LPCM) 功能
- GPIO 可控 FET 监控
- ADBMS6830 GPIO 输入可用于 NTC 传感器
- 低功耗 MAX32690 MCU
- UART 和 CAN 通信
- 通过增强库仑计数技术测量 SOC 和 SOH
- E2W/E3W 基本系统行为模式
- 嵌入式应用程序准备就绪(通过 CLI)
- 通过 GUI 可以进行以下测量和故障检测:
- 电池单元监测
- 电压和电流组监控
- 充电电流监控
- 放电电流监测
- 温度监控
- 细胞过压/欠压检测
- 电池/GPIO 开路检测
- 电池平衡
产品详情
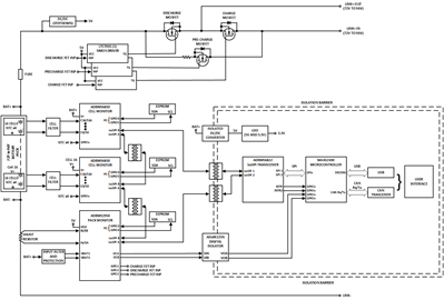
AD-BMSE2E3W-SL 是轻型电动汽车 (LEV) 的 BMS 参考设计。该解决方案的电压范围为 72 V 至 96 V,适用于电流容量高达 100 A 的电动两轮车和三轮车。
该单板系统采用一流的 ADBMS6830 单元监测芯片,最多可监测 2x 16 通道。该板还具有使用 ADBMS2950 进行电池组监控的功能。ADBMS6822 双 isoSPI 收发器提供内置的 2 线可逆 isoSPI 连接,可简化菊花链配置中 BMS 部件的通信,然后将数据发送到微控制器中的 SPI 线路。
板载 MAX32690 MCU 在加载固件后,可以执行 BMS 测量,例如电池电压(平均值和滤波值)以及电池组电压和电池组电流测量。该板还具有充电、预充电和放电模式,可由 ADBMS2950 组监控芯片控制。
AD-BMSE2E3W-SL 设计用于嵌入式模式或使用 GUI 运行,它通过增强型库仑计数技术计算电池的充电状态 (SoC) 和健康状态 (SoH)。
应用
- 电动和混合动力两轮车
- 电动和混合动力三轮车
- 轻型电动车
文档
-
AD-BMSE2E3W-SL Design Support Files2024/7/9ZIP17M
-
AD-BMSE2E3W-SL User Guide (GitHub)2026/4/16
-
UG-2245: AD-BMSE2E3W-SL Quick Start Guide (Rev. 0)2024/7/10PDF911 K



