配合MAX9217/MAX9218/MAX9247/MAX9248/MAX9250评估板工作
概述
MAX9217/MAX9218/MAX9247/MAX9248/MAX9250评估板(EV kit)供用户评估串行器/解串器芯片组。评估板由两部分组成:右半部分是单通道串行器(MAX9217或MAX9247),左半部分是单通道解串器(MAX9218、MAX9248或MAX9250)。
评估板需要3路时钟信号,这些时钟信号可由同一信号源提供。串行器工作需要2路时钟信号:PCLK和DE_IN,其中DE_IN通常为PCLK的16或32分频。解串器部分需要1路REFCLK时钟,该时钟可由同一信号源提供,也可以由独立的本振提供,精度保证在PCLK的2%范围内。
评估板准备步骤
- 根据下文中的配置表(表1至表4)设置跳线,配置评估板(图1和图2)。
- 为评估板上电,3.3V直流电源即可满足评估板各部分的供电需求;为了获得理想的器件特性,建议分别对每个器件的电源引脚进行供电(表2)。
- 将PCLK、DE_IN和REFCLK时钟信号连接至评估板,如步骤2所述(参见下例)。选用Agilent™ 8133A脉冲发生器作为信号源产生3路时钟。
- 将输入数据加载至串行器(位于评估板的右半部分)的输入引脚,并用逻辑分析仪和万用表检查解串器输出引脚。如果连接至串行器的输入为视频信号(比如UNIGRAF公司的VTG-4116视频信号发生器),可用液晶显示器(LCD)进行监测。
- 应特别注意串行器评估板部分的跳线JP13。将该跳线连接至DVCC时,JP17–JP21 (10 × 2插针)的接地引脚接至3.3V,并且固定数据模板可加载至MAX9217/MAX9247串行器的数据输入引脚。当采用外部数据模板时,该跳线应接地。
MAX9217/MAX9247产生的伪随机码(PRBS)
通过以下步骤,MAX9217/MAX9247可产生PRBS数据,用于眼图测试:
- 将低电平有效的PWRDWN引脚接地。
- 将MOD0和MOD1引脚(对于MAX9247,这两个引脚为I.C.和PRE)连接至负2.5V直流电源。通过将差分探头连接至串行器评估板的JP14/JP24 (4引脚、单排插针)的引脚2和3观察串行器的输出眼图。同样,可将差分探头连接至解串器评估板的JP5/JP6 (4引脚、单排插针)的引脚2和3观察解串器眼图。
图1. MAX9217评估板原理图
图2. MAX9218评估板原理图
快速功能检验
MAX9217/MAX9247/MAX9218/MAX9248/MAX9250评估板带有接头,用于连接逻辑分析仪、图形发生器或显示器。模板发生器(可以是逻辑分析仪的一部分),例如HP16500C,产生加载至串行器输入的并行测试字。测试字经过串行器后,通过LVDS链路送至解串器。逻辑分析仪随后读取经过解串的测试字,并根据参考信号或串行器发送至解串器的测试字检查误码,评估板还可连接至图形发生器和LCD,对串行链路进行视觉测试。
如果没有逻辑分析仪、图形发生器或显示器,也可进行串行链路基本功能的检验。进行快速检验设置时,串行器输入逻辑电平通过跳线设置,并用电压表对解串器输出的相应位/电压进行测量。在设置评估板进行快速功能检验时,对应的跳线和元件名称及位置信息请参考MAX9217/MAX9218评估板原理图。注意:当跳线对安装短路器时,芯片引脚被拉至逻辑高电平。如果跳线对未安装短路器,芯片引脚拉至低电平。
- 配置跳线,用于评估板的快速功能检验(表1)。
| Part | Pin Name | Jumper | Jumper Function | Jumper Setting for Quick Check |
| MAX9218, MAX9248, MAX9250 |
R/F | JP1 | Selects rising- or falling-edge output strobe | Low (falling edge) |
| RNG1 | JP4 | Selects PLL operating range | High-frequency range (refer to the data sheet) | |
| RNG0 | JP7 | Selects PLL operating range | High-frequency range | |
| Active-low PWRDWN | JP11 | Selects chip power-up or power-down | High (power-up) | |
| OUTEN (MAX9218/MAX9250), SS (MAX9248) | JP12 | Selects output enable or output disable | High (output enabled for MAX9218/MAX9250), 4% spread-spectrum mode (MAX9248) | |
| MAX9217, MAX9247 | (none) | JP13 | Buses logic high (DVCC) for hardwired inputs | DVCC |
| MOD1 (MAX9217), PRE (MAX9247) | JP15 | Selects output-modulation level | Low (modulation off), preemphasis is disabled for MAX9247 | |
| MOD0 (MAX9217), I.C. (MAX9247) | JP16 | Selects output-modulation level | Low (modulation off), internally connected pin for MAX9247 | |
| Active-low PWRDWN | JP18 pin 15 to pin 16 | Selects chip power-up or power-down | High (power-up) | |
| RNG0 | JP22 | Selects PLL operating range | High-frequency range (refer to the data sheet) | |
| RNG1 | JP23 | Selects PLL operating range | High-frequency range |
- 将电源连接至评估板(表2)。
| Part | Pin Name | EV Board Connection | Voltage |
| MAX9217, MAX9247 |
VCCIN | IVCC | +3.3V |
| VCCPLL | PVCC | +3.3V | |
| VCCLVDS | LVCC | +3.3V | |
| VCC | DVCC | +3.3V | |
| (none) | VNEG | Ground | |
| PLL GND, LVDS GND, GND | GND | Ground | |
| MAX9218, MAX9248, MAX9250 |
VCCPLL | PVCC | +3.3V |
| VCCLVDS | LVCC | +3.3V | |
| VCC | DVCC | +3.3V | |
| VCCO | OVCC | +3.3V | |
| (none) | VTEST | Open | |
| PLL GND, LVDS GND, VCCOGND, GND | GND | Ground |
- 连接所有时钟信号和控制信号(表3)。
| Chip | Chip Pin Name | EV Board Connection | Signal |
| MAX9217, MAX9247 |
PCLK_IN | J18 PCLK (SMA connector) | 32MHz |
| DE_IN | JP18 Pin 13 | 1MHz | |
| RGB_IN and CNTL_IN | JP18, JP19, JP20, JP21 | Open | |
| MAX9218, MAX9248, MAX9250 |
REFCLK | J8 REF (SMA connector) | 32MHz |
- 完成步骤1至3后,可在MAX9218/MAX9248/MAX9250解串器输出上观察到下列信号(表4)。
| Pin Name | EV Board Connection | Signal |
| RGB_OUT, CNTL_OUT |
JP3 and JP9 | Low |
| Active-low LOCK | JP9 Pin 23 | Low |
| PCLK_OUT | JP9 Pin 25 | 32MHz |
| DE_OUT | JP9 Pin 21 | 1MHz |
- MAX9217/MAX9247的RGB_IN和CNTL_IN输入引脚带有内部下拉电阻。该引脚悬空时,串行器自动读取为逻辑低电平。将JP11、JP12、JP13和JP14插针上的输入连接至3.3V。可将JP13置于DVCC处,并在这些2 × 10插针的对等引脚处连接短路器来实现。MAX9218/MAX9248/MAX9250解串器上对应的输出会变为高电平。举例来说,如果将RGB_IN0 (JP14的引脚1)连接至3.3V,那RGB_OUT0 (JP7的引脚27)即为高电平。
- 使用示波器观察串行信号,将差分FET探头通过LVDS信号线缆连接至MAX9217/MAX9247串行器的输出(JP17/JP18)或MAX9218/MAX9248/MAX9250解串器的输入(JP4/JP6)。
注意事项
- MAX9217/MAX9247和MAX9218/MAX9248/MAX9250的RNG0、RNG1引脚具有内部下拉电阻。使能低电平时,这些引脚可以悬空。
- 切换DE_IN引脚,确保MAX9217/MAX9218芯片组正常工作。典型应用中,将图形控制器的数据使能引脚(ENAB)连接至MAX9217/MAX9247的DE_IN引脚,并在MAX9218/MAX9248/MAX9250的DE_OUT引脚恢复。DE_IN在PCLK_IN的4,194,304个周期内必须至少转换一次。
- 时钟输入端提供了用于连接50Ω对地匹配电阻的焊盘。评估板没有提供这些电阻,即板上未安装匹配电阻。保证PCLK、DE_IN和REF输入信号的低噪声切换非常关键。必要时,安装50Ω输入端接电阻来降低反射。采用精度为1%或更高的电阻,以便很好地匹配输入。
- 链路工作时可以不接串联耦合电容(Rx侧的C28/C29和Tx侧的C55/C58)。直接耦合工作时,用一个0欧电阻短接串联电容焊盘。评估板上已经安装了0.1µF串联电容。
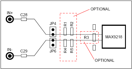
- 对于LVDS信号的端接,采用100Ω差分终端匹配电阻(R3)或100Ω戴维南等效电阻(R1/R2/R5/R4)。不要同时使用上述两种端接。安装两种终端匹配电阻将产生非常大的反射(参见图3)。
- MAX9217原理图所示电阻R20-R46表示内部IC特性,在评估板上没有这些电阻。
- MAX9218原理图所示电容C1-C15和C27-C41仅表示内部IC特性,在评估板上没有这些电容。同样,评估板上也没有电阻R1-R3、R6-R7、R10和R11。
图3. LVDS端接选项。终端匹配只能选用上述两种端接方式的其中一种;同时采用两种端接将带来很大的反射。
| Graphics Controller Output |
![]() |
MAX9217 Input | ![]() |
MAX9218 Output | ![]() |
LCD Input |
| R0 | ![]() |
RGB_IN0 | ![]() |
RGB_OUT0 | ![]() |
R0 |
| R1 | ![]() |
RGB_IN1 | ![]() |
RGB_OUT1 | ![]() |
R1 |
| R2 | ![]() |
RGB_IN2 | ![]() |
RGB_OUT2 | ![]() |
R2 |
| R3 | ![]() |
RGB_IN3 | ![]() |
RGB_OUT3 | ![]() |
R3 |
| R4 | ![]() |
RGB_IN4 | ![]() |
RGB_OUT4 | ![]() |
R4 |
| R5 | ![]() |
RGB_IN5 | ![]() |
RGB_OUT5 | ![]() |
R5 |
| G0 | ![]() |
RGB_IN6 | ![]() |
RGB_OUT6 | ![]() |
G0 |
| G1 | ![]() |
RGB_IN7 | ![]() |
RGB_OUT7 | ![]() |
G1 |
| G2 | ![]() |
RGB_IN8 | ![]() |
RGB_OUT8 | ![]() |
G2 |
| G3 | ![]() |
RGB_IN9 | ![]() |
RGB_OUT9 | ![]() |
G3 |
| G4 | ![]() |
RGB_IN10 | ![]() |
RGB_OUT10 | ![]() |
G4 |
| G5 | ![]() |
RGB_IN11 | ![]() |
RGB_OUT11 | ![]() |
G5 |
| B0 | ![]() |
RGB_IN12 | ![]() |
RGB_OUT12 | ![]() |
B0 |
| B1 | ![]() |
RGB_IN13 | ![]() |
RGB_OUT13 | ![]() |
B1 |
| B2 | ![]() |
RGB_IN14 | ![]() |
RGB_OUT14 | ![]() |
B2 |
| B3 | ![]() |
RGB_IN15 | ![]() |
RGB_OUT15 | ![]() |
B3 |
| B4 | ![]() |
RGB_IN16 | ![]() |
RGB_OUT16 | ![]() |
B4 |
| B5 | ![]() |
RGB_IN17 | ![]() |
RGB_OUT17 | ![]() |
B5 |
| HSYNC | ![]() |
CNTL_IN0 | ![]() |
CNTL_OUT0 | ![]() |
HSYNC |
| VSYNC | ![]() |
CNTL_IN1 | ![]() |
CNTL_OUT1 | ![]() |
VSYNC |
| Not assigned | ![]() |
CNTL_IN2 | ![]() |
CNTL_OUT2 | ![]() |
Not assigned |
| Not assigned | ![]() |
CNTL_IN3 | ![]() |
CNTL_OUT3 | ![]() |
Not assigned |
| Not assigned | ![]() |
CNTL_IN4 | ![]() |
CNTL_OUT4 | ![]() |
Not assigned |
| Not assigned | ![]() |
CNTL_IN5 | ![]() |
CNTL_OUT5 | ![]() |
Not assigned |
| Not assigned | ![]() |
CNTL_IN6 | ![]() |
CNTL_OUT6 | ![]() |
Not assigned |
| Not assigned | ![]() |
CNTL_IN7 | ![]() |
CNTL_OUT7 | ![]() |
Not assigned |
| Not assigned | ![]() |
CNTL_IN8 | ![]() |
CNTL_OUT8 | ![]() |
Not assigned |
| Display Enable | ![]() |
DE_IN | ![]() |
DE_OUT | ![]() |
Display Enable |



