MXB7843

过期

2.375V至5.25V、4线触摸屏控制器

产品技术资料帮助

ADI公司所提供的资料均视为准确、可靠。但本公司不为用户在应用过程中侵犯任何专利权或第三方权利承担任何责任。技术指标的修改不再另行通知。本公司既没有含蓄的允许,也不允许借用ADI公司的专利或专利权的名义。本文出现的商标和注册商标所有权分别属于相应的公司。

Viewing:

概述

  • ESD保护的ADC输入
    • ±15kV IEC 61000-4-2气隙放电
    • ±8kV IEC 61000-4-2接触放电
  • 引脚兼容于MXB7846
  • +2.375V至+5.25V单电源供电
  • 4线触摸屏接口
  • 比值转换
  • SPI™/QSPI™,3线串口
  • 可编程的8位/12位分辨率
  • 两个辅助模拟输入端
  • 转换间隙自动关断
  • 低功耗
    • 125ksps下270µA
    • 50ksps下115µA
    • 10ksps下25µA
    • 1ksps下5µA
    • 2µA关断电流

MXB7843是一款工业标准的4线触摸屏控制器,其中包括一个带同步串口的12位采样模数转换器(ADC),以及用来驱动阻性触摸屏的低导通电阻开关。MXB7843使用外部基准,可以进行绝对或比值测量。MXB7843具有两个辅助ADC输入端。所有模拟输入均是完全ESD保护的,可以省去外部TransZorb™器件。

MXB7843可以确保在2.375V至5.25V单电源下工作。在关断模式下,功耗的典型值降至0.5µW以下;2.7V电源下,125ksps采样率时功耗的典型值为650µW。

低功耗性能使MXB7843成为电池供电系统的理想选择,如带阻性触摸屏的个人数字助理和其他便携式设备。MXB7843采用16引脚QSOP和TSSOP封装,额定工作范围为-40°C至+85°C。

应用

  • 蜂窝电话
  • 寻呼机
  • PDA及其它手持设备
  • 销售终端机(POS)
  • 便携式仪表
  • 触摸屏监视器

MXB7843
2.375V至5.25V、4线触摸屏控制器
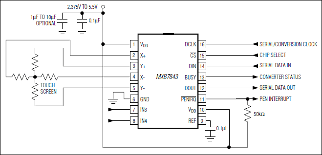
MXB7843:典型应用电路
添加至 myAnalog

将产品添加到myAnalog 的现有项目或新项目中(接收通知)。

创建新项目
提问

参考资料

了解更多
添加至 myAnalog

Add media to the Resources section of myAnalog, to an existing project or to a new project.

创建新项目

软件资源

找不到您所需的软件或驱动?

申请驱动/软件

最新评论

需要发起讨论吗? 没有关于 MXB7843的相关讨论?是否需要发起讨论?

在EngineerZone®上发起讨论

近期浏览