MAX7624

过期

改进的MX7524

产品技术资料帮助

ADI公司所提供的资料均视为准确、可靠。但本公司不为用户在应用过程中侵犯任何专利权或第三方权利承担任何责任。技术指标的修改不再另行通知。本公司既没有含蓄的允许,也不允许借用ADI公司的专利或专利权的名义。本文出现的商标和注册商标所有权分别属于相应的公司。

Viewing:

概述

  • Microprocessor Compatible
  • On-chip Data Latches
  • Guaranteed Monotonic Over Temp.
  • Low Power Consumption
  • 8, 9, 10-Bit Linearity
  • MX7524 TTL/CMOS Compatible at +5V
  • MAX7624 TTL/CMOS Compatible at +12V to +15V

应用

  • 自动测试设备
  • 总线结构仪表
  • 数字控制系统
  • 函数发生器
  • µP控制增益

MAX7624
改进的MX7524
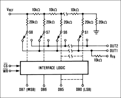
MAX7624、MX7524:功能原理框图
添加至 myAnalog

将产品添加到myAnalog 的现有项目或新项目中(接收通知)。

创建新项目
提问

参考资料

了解更多
添加至 myAnalog

Add media to the Resources section of myAnalog, to an existing project or to a new project.

创建新项目

软件资源

找不到您所需的软件或驱动?

申请驱动/软件

最新评论

需要发起讨论吗? 没有关于 MAX7624的相关讨论?是否需要发起讨论?

在EngineerZone®上发起讨论

近期浏览