MAX5264

过期

八通道、14位、电压输出DAC,并行接口,用于ATE

产品技术资料帮助

ADI公司所提供的资料均视为准确、可靠。但本公司不为用户在应用过程中侵犯任何专利权或第三方权利承担任何责任。技术指标的修改不再另行通知。本公司既没有含蓄的允许,也不允许借用ADI公司的专利或专利权的名义。本文出现的商标和注册商标所有权分别属于相应的公司。

Viewing:

概述

  • Full 14-Bit Performance Without Adjustments
  • 8 DACs in a Single Package
  • Buffered Voltage Outputs
  • Unipolar or Bipolar Voltage Swing to +9V and -4V
  • 22µs Output Settling Time
  • Drives Up to 10,000pF Capacitive Load
  • Low Output Glitch: 30mV
  • Low Power Consumption: 10mA (typ)
  • Small 44-Pin MQFP Package
  • Double-Buffered Digital Inputs
  • Asynchronous Load Updates All DACs Simultaneously
  • Asynchronous CLR-bar Forces All DACs to DUTGND Potential

应用

  • 任意函数发生器
  • 自动测试设备(ATE)
  • 航空电子与军用系统
  • 数字增益与失调控制
  • 工业过程控制
  • 元件数最少的模拟系统
  • SONET应用

MAX5264
八通道、14位、电压输出DAC,并行接口,用于ATE
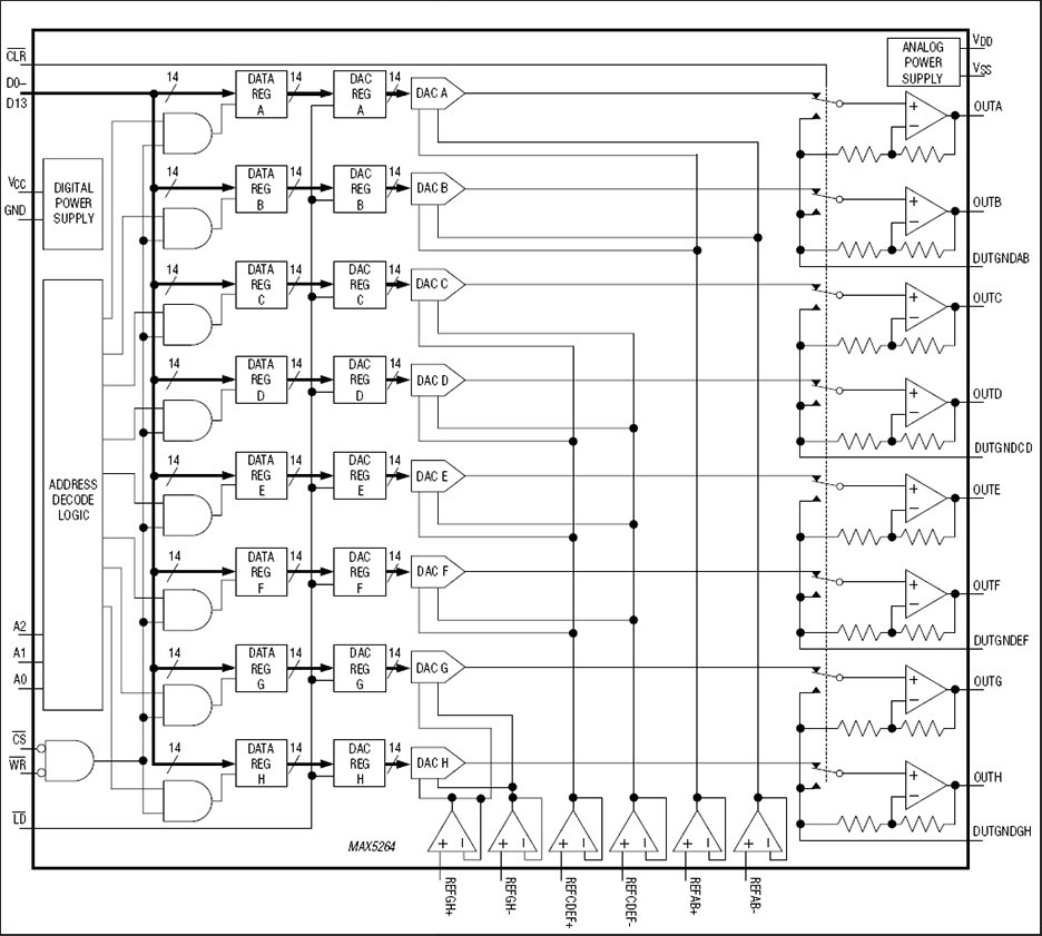
MAX5264:功能原理框图
添加至 myAnalog

将产品添加到myAnalog 的现有项目或新项目中(接收通知)。

创建新项目
提问

参考资料

了解更多
添加至 myAnalog

Add media to the Resources section of myAnalog, to an existing project or to a new project.

创建新项目

软件资源

找不到您所需的软件或驱动?

申请驱动/软件

最新评论

需要发起讨论吗? 没有关于 MAX5264的相关讨论?是否需要发起讨论?

在EngineerZone®上发起讨论

近期浏览