LTM9013

最后购买期限

300MHz 宽带接收器

产品技术资料帮助

ADI公司所提供的资料均视为准确、可靠。但本公司不为用户在应用过程中侵犯任何专利权或第三方权利承担任何责任。技术指标的修改不再另行通知。本公司既没有含蓄的允许,也不允许借用ADI公司的专利或专利权的名义。本文出现的商标和注册商标所有权分别属于相应的公司。

Viewing:

概述

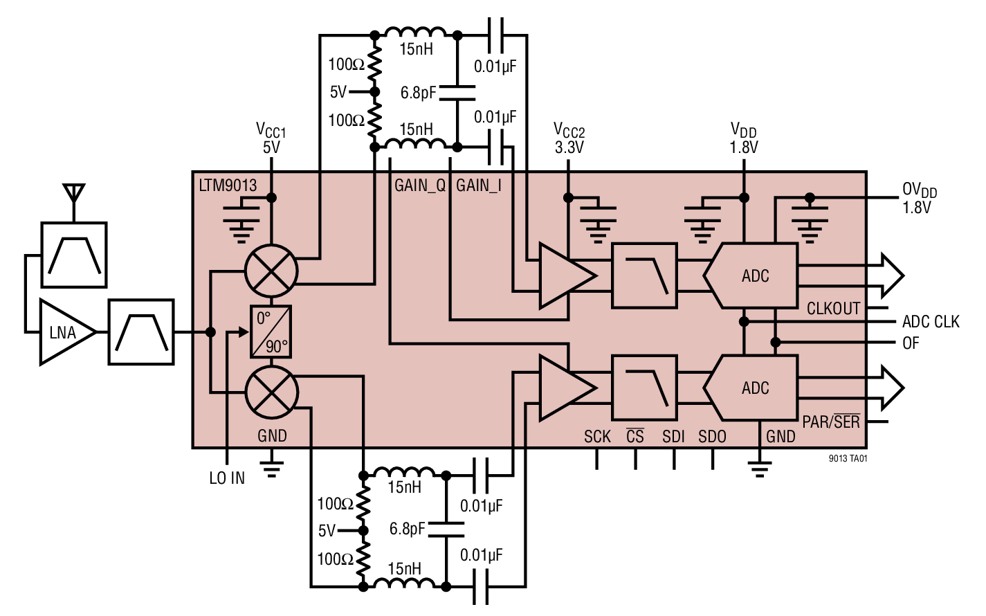
  • 集成型 I/Q 解调器、IF 放大器、和双通道 14 位、310Msps 高速 ADC
  • 外部高通滤波器允许进行带宽调节
  • 用于每个通道的 300MHz 低通滤波器
  • RF 输入频率范围:0.7GHz 至 4GHz
  • 50Ω 单端 RF 端口
  • 50Ω 差分 LO 端口
  • 频率平坦度:1.3dB (典型值)
  • 在 -7dBFS 具有 66dBc IM3 电平
  • 在 -1dBFS 具有 59dB SNR
  • 并联 DDR LVDS 输出
  • 时钟占空比稳定器
  • 低功率:2.6W
  • 停机和打盹模式
  • 15mm x 15mm BGA 封装

LTM®9013 是一款 300MHz 宽带接收器。该器件采用集成系统级封装 (SiP) 技术,是 μModule® (微型模块) 接收器,内置一个双通道高速 14 位 A/D 转换器、低通滤波器、差分增益级和一个正交解调器。

LTM9013 非常适合于宽带 I/Q 接收器应用,其 AC 性能包括 59dB SNR 和 1.3dB 频率平坦度 (从 DC 至 300MHz)。在该器件的外部使用一个高通滤波器或简单的 AC 耦合,以实现设计灵活性。集成型片内宽带变压器在 RF 输入端上提供了一个 50Ω 单端接口。

一个 5V 电源负责为解调器供电,而一个 3.3V 电源则用于给 IF 放大器供电,以实现较小的失真。一个 1.8V 电源允许执行低功率 ADC 操作。一个单独的输出电源使得 DDR LVDS 输出能够驱动 1.8V 逻辑电路。一个可任选的多路复用器允许两个通道共用一根数字输出总线。一个任选的时钟占空比稳定器在全速和多种时钟占空比条件下实现了高性能。


应用

  • 电信
  • 宽带、低 IF 接收器
  • 数字预失真接收器
  • 蜂窝基站

LTM9013
300MHz 宽带接收器
64k Point FFT fIN = 1950MHz, –1dBFS Product Package 1
添加至 myAnalog

将产品添加到myAnalog 的现有项目或新项目中(接收通知)。

创建新项目
提问

参考资料

数据手册 1

可靠性数据 1

用户手册 1

了解更多
添加至 myAnalog

Add media to the Resources section of myAnalog, to an existing project or to a new project.

创建新项目

软件资源

找不到您所需的软件或驱动?

申请驱动/软件

评估套件

eval board
DC1931B

DC1931B LTM9013-AA Demo Board, 300MHz Digital Pre-Distortion Receiver, Requires DC1371

产品详情

Demonstration circuit DC1931 is a 300MHz wideband/digital pre-distortion (DPD) receiver subsystem featuring the LTM9013. The DC1931 card is designed to plug into the DC1371 data acquisition demo board. It is configured with an IF highpass filter, designed to provide a corner frequency of approximately 1MHz. Other corner frequencies may be realized by changing a small number of element values on the DC1931; see the LTM9013 data sheet for details.

DC1931B
DC1931B LTM9013-AA Demo Board, 300MHz Digital Pre-Distortion Receiver, Requires DC1371
DC1931B - Schematic

最新评论

需要发起讨论吗? 没有关于 LTM9013的相关讨论?是否需要发起讨论?

在EngineerZone®上发起讨论

近期浏览