DS1123L

过期

3.3V、8位、可编程时钟单元

产品技术资料帮助

ADI公司所提供的资料均视为准确、可靠。但本公司不为用户在应用过程中侵犯任何专利权或第三方权利承担任何责任。技术指标的修改不再另行通知。本公司既没有含蓄的允许,也不允许借用ADI公司的专利或专利权的名义。本文出现的商标和注册商标所有权分别属于相应的公司。

Viewing:

概述

  • 延时步长为0.25ns、0.5ns、1ns、2ns
  • 片内参考延时
  • 可配置成延时线、单稳态振荡器或自激振荡器
  • 可将信号延迟一个周期或更长时间
  • 保证单调性
  • 可通过并口或3线串口编程
  • 单电源3.3V供电
  • 16引脚TSSOP封装

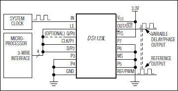
DS1123L是一款功能与DS1023类似的8位可编程定时单元,但可工作在3.3V。与DS1023类似,DS1123L用作延时线时能够将信号延迟一个周期或更长时间,内部参考延时可以提供固有的“零步长”延时偏移。因此,DS1123L能够在0至360°范围内调节时钟信号的相位。芯片除延时线功能外,还可以配置成自激振荡器或外部触发的单稳态振荡器。

应用

  • 数字测试设备
  • 数字投影仪
  • 信号发生器与分析仪
  • 电信

DS1123L
3.3V、8位、可编程时钟单元
DS1123L:典型工作电路
添加至 myAnalog

将产品添加到myAnalog 的现有项目或新项目中(接收通知)。

创建新项目
提问

参考资料

了解更多
添加至 myAnalog

Add media to the Resources section of myAnalog, to an existing project or to a new project.

创建新项目

软件资源

找不到您所需的软件或驱动?

申请驱动/软件

最新评论

需要发起讨论吗? 没有关于 DS1123L的相关讨论?是否需要发起讨论?

在EngineerZone®上发起讨论

近期浏览