AD9992
过期12位CCD信号处理器,内置Precision Timing™发生器
        Viewing:
        
    
    概述
- 1.8 V AFETG内核
- 内部LDO调节器和电荷泵电路
- 与3 V或1.8 V系统兼容
- 24个可编程垂直时钟输出
- 相关双采样器(CDS),增益−3 dB、0 dB、+3 dB和+6 dB
- 6 dB至42 dB、10位可变增益放大器(VGA)
- 12位、40 MHz ADC
- 具有可变电平控制功能的黑色电平箝位
- 完整的片内时序发生器
- Precision Timing内核,分辨率为400 ps
- 片内3 V水平和RG驱动器
- 通用输出(GPO),支持快门和系统功能
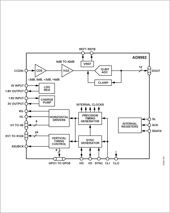
AD9992是一款适合数码相机应用的高度集成CCD信号处理器,内置具有模数转换功能的完整模拟前端和全功能可编程时序发生器。该时序发生器能够支持最多24个垂直时钟信号来控制高级CCD。在40 MHz下工作时,Precision Timing™内核允许以大约400 ps的分辨率调整高速时钟。AD9992还内置8个通用输入/输出,可用于快门和系统功能。
AD9992的额定像素速率最高达40 MHz。模拟前端包括黑色电平箝位、CDS、VGA和一个12位模数转换器(ADC)。时序发生器提供必需的CCD时钟:RG、水平时钟、垂直时钟、传感器门限脉冲、基底时钟和基底偏置控制。采用三线式串行接口对操作进行编程。
AD9992的额定温度范围为-25℃至+85°C。
应用
数据手册,Rev. C,10/07
参考资料
这是最新版本的数据手册
软件资源
找不到您所需的软件或驱动?
申请驱动/软件最新评论
需要发起讨论吗? 没有关于 AD9992的相关讨论?是否需要发起讨论?
在EngineerZone®上发起讨论