MAXQ3180
低功耗、多功能、多相AFE
业内最完备的多相、多功能表AFE,功耗最低
        Viewing:
        
    
    概述
- 支持IEC 60687、IEC 61036和IEC 61268标准
- 测量每相及三相有功功率和电能(kWh),正向和反向
- 测量每相及三相无功功率和电能,正向和反向
- 每相和组合的三相视在功率和电能
- 零线电流测量
- 线路频率(Hz)
- 功率因数
- 电压矢量角度
- 相序指示
- 相电压丢失检测
- 电压和电流谐波测量
- 基波和总功率及电能
- 可配置的有功功率、无功功率和视在功率
- 可编程脉冲宽度
- 可编程空载电流门限
- 可编程计量常数
- 可编程欠压和过压检测门限
- 可编程过流检测门限
- 没有电压信号时,可计算安时数
- 片上数字温度传感器
- 精密内部电压基准1.23V (30ppm/°C典型值),还支持外部基准
- 支持软件计量校准
- 多达3点的多点校准,补偿传感器的非线性
- 电源失效检测
- 双向复位输入/输出
- SPI兼容串行接口,提供中断请求(低有效IRQ)输出
- 单电源3.3V供电,低功耗(典型值35mW)
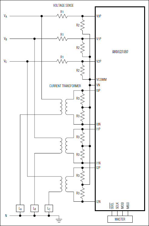
MAXQ3180是专用的电气参数测量前端,它采集并计算多相负载的多相电压、电流、功率、能量等多种计量参数和功率品质参数。外部主机通过片内串行外设接口(SPI™)总线读出计算结果。外部主机还通过该总线来配置MAXQ3180的工作模式,监测工作状态。
MAXQ3180采用集成ADC进行电压和电流测量,最多可测量7个外部差分信号对,第8个差分信号对用于测量管芯温度。内部放大器自动调整电流通道增益,以补偿小电流通道信号电平。
参考资料
软件资源
找不到您所需的软件或驱动?
申请驱动/软件最新评论
需要发起讨论吗? 没有关于 MAXQ3180的相关讨论?是否需要发起讨论?
在EngineerZone®上发起讨论