μModule Converters Take the Hassle Out of Designing Isolated Power Supplies
μModule Converters Take the Hassle Out of Designing Isolated Power Supplies
著者
David Ng
2012年04月01日
Sometimes a system needs a little bit of isolated power, but designing an isolated power supply is rarely easy. The nature of isolated supplies makes them complicated and touchy, resulting in late nights and long weekends spent on design and debug. The LTM8047 and LTM8048 µModule converters take the hassle out of designing isolated power supplies, placing a flyback regulator in a compact 9mm × 11.25mm × 4.92mm BGA RoHS compliant package. The controller, power switching and rectification elements, as well as transformer and isolated feedback circuitry are all integrated. Both parts operate from 3.1V to 32V inputs and produce over 1W of isolated power. The LTM8048 is identical to the LTM8047, but adds an integrated 300mA linear post regulator.
Designing with the LTM8047 and LTM8048 is easy. Figure 1 shows a complete LTM8047-based isolated power supply, requiring only the addition of capacitors for input, output, and biasing, and a resistor to set the output voltage. The LTM8048 requires only one more component: a resistor to set the voltage of the LDO output, as shown in Figure 2.

Figure 1. The LTM8047 only requires four additional components to implement an isolated 5V power supply that accepts an 3.1V–29V input.

Figure 2. The LTM8048 is the LTM8047 with the addition of an LDO post regulator.
As is the case with most flyback converters, the output voltage can be above or below the input, accommodating a wide range of operating conditions. And, as is nature of flyback converters, the amount of current that the LTM8047 and LTM8048 can deliver depends on the input voltage. Figure 3 shows the load capability of a typical LTM8047 at 2.5V, 3.3V and 5V outputs. The LTM8048 features the same load capability.

Figure 3. Maximum load capability of the LTM8047 and LTM8048 depends on the input voltage.
The linear post regulator integrated into the LTM8048 is a high performance 300mA device, boasting a low dropout of less than 450mV at room temp, full load. As shown in Figure 4, the output noise and ripple of the post regulator is less than 1mV. These measurements were taken using a 150MHz HP-461A differential amplifier.

Figure 4. The output noise of the LTM8048 post regulator is less than 1mV.
The LTM8047 and LTM8048 both integrate a transformer that is rated for 725VDC isolation. Every isolated µModule converter is factory tested for 100% reliability, with 725V applied in one direction for one second, followed by the reverse voltage for one second.
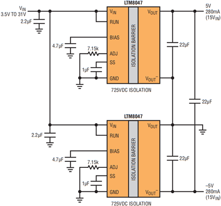
For flexibility, there is no circuitry connected between the primary and secondary, so if a safety capacitor or other elements are required for a system, they can be added. This flexibility allows various configurations of the output. As shown in Figure 5, for example, two LTM8047s can be combined to deliver individually regulated positive and negative outputs.

Figure 5. Use two LTM8047 converters to produce ±5V from a 3.5V–31V input.
Conclusion
The LTM8047 and LTM8048 are two flyback µModule converters that can be used to produce more than 1W of isolated power from a small, easy-to-use, 9mm × 11.25mm × 4.92mm BGA package. The LTM8048 is nearly identical to the LTM8047, but with an integrated high performance post regulator.