Single Device Combines Pushbutton On/Off Control, Ideal Diode PowerPath and Accurate System Monitoring
Single Device Combines Pushbutton On/Off Control, Ideal Diode PowerPath and Accurate System Monitoring
2006年09月01日
Introduction
The proliferation of handheld and battery powered devices has made controlling the power paths of two or more power sources a common power supply design task. Some designers turn to discrete components and onboard microprocessors to manage the power path between power sources and the systems they run. However, discrete component and microprocessor solutions tend to be incomplete, inconsistent and large. A better alternative is to use the LTC2952 PowerPath controller in solutions that are more robust, easier to design and more efficient than discrete and microprocessor solutions.
The LTC2952 integrates three important power management functions into a single device: pushbutton ON/OFF control, ideal diode PowerPath control and accurate system monitoring. The LTC2952’s pushbutton input, which provides ON/OFF control of system power, has independently adjustable ON and OFF de-bounce times. A simple microprocessor interface involving an interrupt signal allows for proper system housekeeping prior to power down.
The ideal diode power paths provide low loss switchover between two DC sources by regulating two external P-channel MOSFETs to have a small 20mV forward drop. High reliability systems can utilize the LTC2952’s system monitoring features to ensure system integrity. These monitoring features include: power-fail, voltage monitoring and μP watchdog.
Features
The overall power path management solution offered by LTC2952 is compact and low power. LTC2952 is available in a 20-pin QFN 4mm × 4mm or 20-pin TSSOP. In standby mode it only consumes 25μA of quiescent current. For systems that require efficient management of more than two power paths, multiple LTC2952s can be used together in a single system. Other features include:
- Low loss switchover between DC sources
- User control or automatic management of low loss PowerPath
- PowerPath priority
- Pushbutton ON/OFF control
- Accurate comparator for digital ON/OFF control
- Wide operating voltage range: 2.7V to 28V
- Guaranteed threshold accuracy: ±1.5% of monitored voltage over temperature
- Adjustable pushbutton ON/OFF timers
- Simple interface allows graceful μP controlled shutdown
- Extendable house keeping wait time prior to shutdown
- 200ms reset delay and 1.6s watch dog time out
- ±8kV HBM ESD on PB input
- PowerPath selection status
Operation
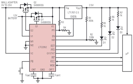
The LTC2952 is designed to simplify applications requiring management of multiple power sources. The three main features of the part are: pushbutton control, ideal diode PowerPaths and system monitoring. Figure 1 shows a typical application of the LTC2952 where it drives the output voltage (VS) to the higher of the V1 (wall adapter) or V2 (battery) inputs.

Figure 1. Typical application of LTC2952 with automatic power-ORing between wall adapter and battery and pushbutton control of a DC/DC converter.
The ideal diode drivers regulate two external P-channel MOSFETs to achieve the ideal diode PowerPath behavior that allows for a low loss switchover between two DC sources. Each driver regulates the gate of the PFET such that the voltage drop across its source and drain is 20mV. When the load current is larger than the PFET’s ability to deliver the current with a 20mV drop across its source and drain, the gate drive voltage clamps at 7V and the PFET behaves like a fixed value resistor.
The pushbutton function debounces any pushbutton event on the PB pin. Note that the ON and OFF debounce times can be programmed independently by using two separate capacitors on the ONT and OFFT pins respectively. A valid pushbutton ON sets the EN pin to high impedance and a valid pushbutton OFF drives the EN pin low. In a typical application the EN pin is tied to the shutdown pin of a DC/DC converter. Therefore by toggling the EN pin, the pushbutton pin has direct control over the enabling/disabling of an external DC/DC converter. This control of system turn ON/OFF is accompanied by a graceful interface to a μP to ensure proper system power up and power down.
The LTC2952 also provides system monitoring functions via the VM, WDE, RST and PFI, PFO pins. The VM and WDE pins are respectively the voltage monitoring and the watchdog input pins that determine the state of the RST output with 200ms reset time and 1.6s watchdog time. The PFI and PFO pins are the input and output of an accurate comparator that can be used as an early warning power fail monitor.
The KILL, M1 and M2 pins are inputs to accurate comparators with 0.5V thresholds. The outputs of these comparators interact with the internal logic to alter the ideal-diode power paths and the pushbutton control behavior. Specifically, the KILL input provides any application with a capability to turn off system power at any point during operation. M1 and M2 pins are mode pins that configure the part to have slightly different behavior in the power path switchover of the two DC sources.
Power Path Configurations
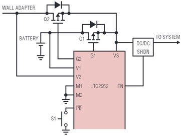
Configuration A: Pushbutton Controller with Automatic Power-ORing between Wall Adapter and Battery
Figure 2 shows both the M1 and M2 pins connected to ground, which enables both of the ideal diodes. In this setup, power from the VS node to the system is controlled via the EN pin, which is connected to the shutdown pin of a DC/DC converter. Pushbutton control at the PB input toggles the EN pin.

Figure 2. Power path configuration A: pushbutton controller with automatic power-ORing between wall adapter and battery.
Configuration B: Pushbutton Controller with Preferential Wall Adapter Operation and Automatic Switchover to Battery
In Figure 3 the M1 pin is connected to ground and the M2 pin monitors the wall adapter input. When the wall adapter voltage is below the trip threshold, both ideal diodes are enabled. When the wall adapter voltage is above the trip threshold, the primary ideal diode driver is disabled (shutting off Q1 and Q3) and the secondary ideal diode driver is enabled (turning on Q2). This means the load current is supplied from the wall adapter (V2) regardless of the voltage level at the battery (V1).

Figure 3. Power path configuration B: pushbutton controller with preferential wall adapter operation and automatic switchover to battery.
Because of the possible current path through the PFET body diode, a back-to-back PFET configuration must be used for Q1, Q3 to make sure that no current flows from the battery (V1) to VS even if the wall adapter (V2) voltage is less than the battery (V1) voltage.
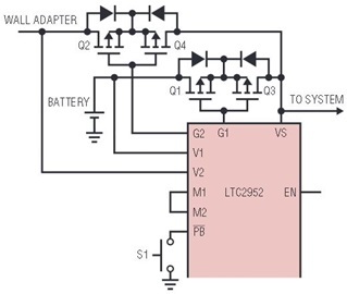
Configuration C: Pushbutton Control of Ideal Diode Drivers
In Figure 4, the M2 pin is tied to the M1 pin. Since the M1 pin has a 3μA internal pull-up current, this current causes both M1 and M2 to pull up above 0.515V (the typical M1 and M2 pins rising threshold). This setup causes the device to operate such that the PB pin has complete control on both the ideal diode drivers and the EN pin. The first valid pushbutton input turns on both of the ideal diode drivers, causing the VS pin to be driven to the higher of either the wall adapter or the battery input. Conversely, the second valid pushbutton input turns off the ideal diodes after a shutdown sequence involving an interrupt to the system.

Figure 4. Power path configuration C: pushbutton control of ideal diode drivers.
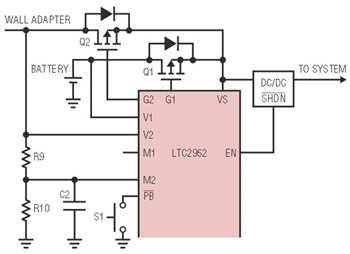
Configuration D: Battery Backup with Pushbutton Power Path Controller
In this configuration the M1 pin is left floating, causing its 3μA (typ) internal pull-up to pull it above its rising threshold. With M1 high, the device operates such that the rising edge and the falling edge on the M2 pin are interpreted as digital ON and OFF commands respectively.
In this particular battery back up application (Figure 5), the M2 pin monitors the wall adapter voltage. When power is first applied to the wall adapter so that the voltage at the M2 pin rises above its rising trip threshold (a digital ON command), both of the ideal diode drivers and the DC/DC converter are enabled. Thus, power is delivered to the system. As soon as the wall adapter voltage falls below its trip threshold (a digital OFF command), a shutdown sequence is immediately started. At the end of the shutdown sequence, the ideal diode drivers and the DC/DC converter are disabled. As a result power is cut off from the load and the system is in shutdown.

Figure 5. Power path configuration D: battery backup with pushbutton power path controller.
Once power is delivered to the system, the PB pin can be used to turn off the power. If PB is used to turn off the power in this configuration, there are two methods to turn the power back on: a valid pushbutton ON at the PB pin, or cycling of the wall adapter voltage (bringing the voltage level at the M2 pin down below its threshold and then back up above its threshold—a digital ON command).
The voltage threshold of the wall adapter input (as monitored at the M2 pin) is usually set higher than the battery input voltage. Therefore, the only time power is drawn from the battery (V1 pin) is during the shutdown sequence when the voltage at the wall adapter input (V2 pin) has collapsed below the battery input voltage level.
Reverse Battery Protection
To protect the LTC2952 from a reverse battery connection, place a 1k resistor in series with the respective supply pin intended for battery connection (V1 and/or V2) and remove any capacitance on the protected pin. In Figure 6, R12 protects the V1 pin from a reverse battery connection.

Figure 6. Reverse battery protection on V1.
The value of the reverse battery protection resistor should not be too large because the V1 and the V2 pins are also used as the anode sense pins of the ideal diode drivers. When the ideal diode driver is on, the VS pin supplies most of the quiescent current of the part (60μA) and each of the supply pins supplies the remaining quiescent current (20μA each). Therefore, the recommended 1kΩ reverse battery protection resistor amounts to an additional 20mV (1kΩ• 20μA) drop across the P-channel MOSFET.
Pushbutton Bounce
When a pushbutton is pressed, the voltage on the pin does not seamlessly switch from the pull-up voltage to ground. The voltage fluctuates as the pushbutton makes and breaks contacts for quite a number of cycles before finally settling.
Figure 7 shows a scope photo with significant bounce on the pushbutton pin. The LTC2952 ignores all the noise and sets a clean internal ON/OFF signal only after the pushbutton stops bouncing for 26ms plus the additional programmed time determined by the external capacitors CONT and COFFT.

Figure 7. Scope photo of a typical pushbutton bounce.
Pushbutton Input
The PB pin is a high impedance input to an accurate comparator with a 10μA pull up to an internal low voltage supply (4.5V). The PB input comparator has a 0.775V falling trip threshold with 25mV of hysteresis. Due to novel protection circuitry, the PB pin can operate over a wide operating voltage range (–6V to 28V) as well as having an ESD HBM rating of ±8kV.
The pushbutton circuitry’s main function is to debounce the input to the PB pin into a clean signal that initiates a turn-on or a turn-off power sequence. A complete pushbutton consists of a push event and a release event.
The push event debounce duration on the PB pin can be increased beyond the fixed internal 26ms by using an external capacitor. Specifically, placing a capacitor on the ONT and OFFT pins increases the debounce duration for the push event to turn on and the push event to turn off, respectively. The following equations describe the additional debounce time that a push event at the PB pin must satisfy before it is recognized as a valid pushbutton ON or OFF command.
tONT = CONT • 9.3[MΩ]
tOFFT = COFFT • 9.3[MΩ]
CONT and COFFT are the ONT and OFFT external programming capacitors respectively.
During a turn-off push event (Figure 8), the INT pin is asserted low after the initial 26ms debounce duration. The INT pin continues to assert low while the PB pin is held low during the OFFT debounce duration. If the PB pin pulls high before the OFFT time ends, the INT immediately turns high impedance. On the other hand, if the PB pin is still low at the end of the OFFT time, the INT continues to assert low throughout the ensuing shutdown sequence.

Figure 8. Pushbutton debounce timing.
On a release event (rising edge) on the PB pin following a valid push event, the PB pin must be continuously held above its rising threshold (0.8V) for a fixed 26ms internal debounce time before the next push event is recognized. Figure 8 shows a particular sequence of PB signals being debounced into a clean internal ON/OFF signal, and its effect on the state of the INT pin.
Accurate Comparator Input Pins VM, PFI, KILL
, M1 and M2VM, PFI, KILL, M1 and M2 are all high impedance input pins to accurate comparators with a falling threshold of 0.5V (typ). Note the following differences between some of these pins: the VM pin comparator has no hysteresis while the other comparators have 15mV of hysteresis and the M1 pin has a 3μA pull up current while the other inputs pins do not.
Figure 9 shows a typical application where the VM, PFI, KILL or M2 pin connects to a tap point on an external resistive divider between a positive voltage and ground. The following formula shows the falling trip voltage from the resistor’s value:


Figure 9. Setting the comparator input trip point.
M1 is different from the other high impedance input pins in that it has a 3μA internal pull up current. Typically the M1 pin is usually either connected to ground or left floating. When left floating, the internal 3μA pull up drives the M1 pin above its rising threshold (0.515V). Note that this 3μA pull up current can be used to pull up any of the other high impedance input pins. For example, many applications call for shorting the M1 and M2 pins so both are pulled above their rising thresholds.
Voltage Monitoring and Watchdog Function
The first voltage monitor input is PFI. This pin is a high impedance input to an accurate comparator with 15mV hysteresis. When the voltage at PFI is higher than its rising threshold (0.515V), the PFO pin is high impedance. Conversely, when the voltage level at PFI is lower than its falling threshold (0.5V), the PFO pin strongly pulls down to GND.
The second voltage monitor input is VM. This VM pin together with the WDE pin (as a watchdog monitor pin) affects the state of the RST output pin. The VM pin is also a high impedance input to an accurate comparator. However, the VM comparator has no hysteresis and hence the same rising and falling threshold (0.5V). When the voltage level at VM is less than 0.5V, the RST pin strongly pulls down to GND. When the voltage level at VM rises above 0.5V, the RST output pin is held low for a reset time out period (200ms) before turning high impedance.
After the RST pin becomes high impedance, if the WDE input pin is not left floating or not in a high-Z state, the watchdog timer is started. The watchdog timer is reset every time there is an edge (high to low or low to high transition) on the WDE pin. The watchdog timer can expire if no valid edge occurs on the WDE pin in a watch dog timeout period (1.6s) after the RST pin transitions from pulling low to being high impedance. It can also expire if no valid edge occurs on the WDE pin in a watchdog timeout period since the last valid edge on the WDE pin while the RST pin is high impedance.
When the watchdog timer is allowed to expire while the voltage at the VM pin is higher than 0.5V, the RST pin strongly pulls down to ground for a reset time out period (200ms) before again being high impedance for a watchdog timeout period (1.6s). This continues until there is again an edge at the WDE pin, the voltage at VM goes below 0.5V, or the watchdog function is disabled (by leaving the WDE pin floating or in a high-Z state).
Power Turn-On/Turn-Off Sequence
Figure 10 shows a typical system power-on and power-off timing diagram. Note that in this timing diagram only the clean internal ON/OFF signal is shown. A transition at this internal ON/OFF signal can be caused by a valid debounced pushbutton at the PB pin or a digital ON/OFF command through the mode input pins (M1/M2).

Figure 10. Typical power on and power off sequence.
In this timing sequence, the KILL pin has been set low since power is first applied to the LTC2952. As soon as the Internal ON/OFF signal transitions high (t1), the EN pin goes high impedance and an internal 500ms timer starts. During this 500ms, KILL On Blanking period, the input to the KILL pin is ignored and the EN pin remains in its high impedance state. This KILL On Blanking period is designed to give the system sufficient time to power up properly.
Once the μP/system powers on, it should set the KILL pin high (t2) indicating that proper power up sequence is completed. Failure to set KILL pin high at the end of the 500ms KILL On Blanking period (t3) results in an immediate system shut down (EN pin pulling down). However, in this typical sequence, with the KILL pin high at the end of the KILL On Blanking period, the system transitions to normal operation with power turned on.
When the Internal ON/OFF signal transitions low (t4), a shutdown sequence is immediately started. Note that during the shutdown sequence the INT pulls low. However, the transition from high to low at the INT pin can either occur at the beginning of the shutdown sequence if the transition low at the internal ON/OFF signal is as a result of a digital OFF command or earlier if the transition at the internal ON/OFF signal is caused by a valid pushbutton OFF.
From the start of the shutdown sequence, the system power turns off in 500ms, unless an edge (a high-to-low or low-to-high transition) at the WDE pin is detected within the 500ms period to extend the wait period for another 500ms. This KILL Wait time (500ms/cycle) is designed to allow the system to finish performing its house keeping tasks before shut down.
Once the μP finishes performing its power down operations, it can either let the KILL Wait time expire on its own or set the KILL pin low to immediately terminate the KILL Wait time. When the KILL Wait time expires, the LTC2952 sets EN low. This turns off the DC/DC converter connected to the EN pin. In the sequence shown in Figure 10, the KILL Wait time is reset twice with edges on the WDE pin (t5 and t6) before finally expiring (t7).
When the DC/DC converter is turned off (EN goes low), it can take a significant amount of time for its output level to decay to ground. In order to guarantee that the μP has always powered down properly before it is re-started, another 500ms (Enable Lock Out period) timer is started to allow for the DC/DC converter output power level to power down completely to ground. During this Enable Lock Out period, the EN pin remains in its low state regardless of any transition at the internal ON/OFF signal. At the end of the 500ms Enable Lock Out time (t8) the LTC2952 goes into its reset state, ready for the next turn on sequence. Note that at this reset state the EN pin remains strongly pulling down.
Conclusion
The LTC2952 is a versatile, full featured Power Path Management IC that provides robust pushbutton ON/OFF control with a simple and graceful communication interface to the system microprocessor. Its wide voltage range, gate drive capability and low power fit an extensive number of applications requiring efficient management of two or more power paths. To further complement the requirements of highly reliable systems, the LTC2952 also offers voltage and watchdog monitoring capabilities.
著者について
2002年以降、アナログ・デバイセズのボストン設計センターで設計エンジニアを務める。当初は、監視および高電圧電力パスのミックスド・シグナル製品のCMOS技術での開発に従事。その後、複数チャンネルのバイポーラ・パワー・コンバータにまで関心を拡大。現在は、技術アセット・マネージャおよび部門リーダーとして、BiCMOSのバッテリ・チャージャとワイヤレス・パワー統合回路の研究、設計、開発などを担当。MITの電子工学およびコンピュータ科学科で、200...