太陽電池アプリケーションで真の最大電力点を能動的に検出する鉛蓄電池およびリチウム電池充電用の80V昇降圧コントローラ
太陽電池システムでは、経費の大部分を占めるのはパネルとバッテリです。費用対効果の高い太陽電池ソリューションでは、これらの部品の稼働率と寿命を最大限まで高めています。たとえば、高品質の充電器は、バッテリ駆動時間を延ばして容量要件を低減し、バッテリ寿命を延ばして保守と交換の費用を最小限に抑えます。同様に、太陽電池パネルから最大限の有効エネルギーを抽出するDC/DCコントローラを使用することにより、必要なパネルのサイズとコストが減少します。
LT8490は、太陽電池パネルまたはDC電圧源から電力を供給できる鉛蓄電池およびリチウム電池用の充電コントローラです。このデバイスは、太陽電池パネル向けに真の最大電力点追従(MPPT)機能と、さまざまな種類のバッテリ向けに組み込みの最適化バッテリ充電アルゴリズムを内蔵しており、ファームウェア開発は必要ありません。LT8490の入力と出力の定格は80Vなので、最大96個のセルを直列に収容するパネルと組み合わせて使用できます。パワー段には外付けNチャネルMOSFET4個とインダクタ1個を昇降圧構成で使用しています。ほとんどの充電コントローラと異なり、昇降圧構成では、バッテリ電圧より高い、低い、または等しいパネル電圧で充電器が効率的に動作できます。最小のパネル電圧は6Vです。
充電アルゴリズムがバッテリの種類に合わせて最適化される場合は、バッテリの寿命と駆動時間が長くなります。同様に、一部が日陰になる条件のときに太陽電池パネルの最大電力点を追跡する高性能のMPPTチャージャを使用すると、小型で低コストの太陽電池パネルを使用できます。これらの役目をすべて果たすためにディスクリート部品のチャージャ・ソリューションを作成するのでは費用と時間がかかり、通常はマイクロコントローラ、高性能スイッチング・レギュレータ、および長期間のファームウェア開発サイクルが必要になります。
総合的な単一IC太陽電池式バッテリ・チャージャ・ソリューション
LT8490は、以下に示す一連の豊富な機能を備えたMPPTバッテリ・チャージャ・コントローラです。
- 内蔵のMPPTアルゴリズム(ファームウェア開発不要)により、市場投入までの時間を大幅に短縮
 - 内蔵の昇降圧コントローラにより、VINの値をVBATより高い、低い、または等しい値にすることが可能
 - 鉛蓄電池およびリチウムイオン電池をサポート
 - 6V~80V のVIN 範囲と1.3V~80V のVBAT範囲
 

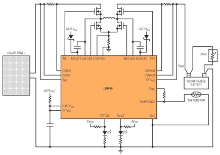
図1.太陽電池式バッテリ・チャージャの簡略回路図
LT8490は、太陽電池パネルまたはDC電圧源から電源を供給できます。特定のバッテリ電圧では、パネル電圧がバッテリ電圧より低くても高くてもかまわないので、広範囲の太陽電池パネル・タイプを使用できます。LT8490は、6Vから最大(低温時)開路電圧である80Vまでのパネル入力に対応します。これは、直列に接続した16個~96個の太陽電池に対応する範囲です。
パワー段は外部なので、アプリケーションに応じて最適化できます。充電電流の制限値(およびDC電圧源を使用する場合は入力電流制限値)は、必要に応じて設定できます。
真の最大電力点追従機能
太陽電池パネルから動作する場合、LT8490はパネルの最大電力点でパネル電圧を維持します。一部が日陰になる条件のときでも、複数の極大電力点が現われる場合(太陽電池パネル内部のバイパス・ダイオードの影響)、LT8490は真の最大電力点を検出して追従します。
図2は、一般的な60セルの250WパネルのP-V曲線を2つの異なる照度条件で示します。パネルが完全に照らされる場合は、25Vで最大電力点(200W)に達します。一部が日陰になっている場合(図3参照)、25Vのパネルでの有効電力は50Wまで減少し、新しい真の最大電力点(128W)は16Vで現われます。元の電力ピークである25V/200Wは、実際には極大点である約32V/63Wに移ることに注意してください。

図2.60セル250Wの太陽電池パネルの電力曲線。パネル全体が照らされた場合と、小さな日陰部分が1個のセルを部分的に覆っている場合(図3)

図3.右上隅が日陰になっている太陽電池パネル
この2 重極大点現象は、多くのコントローラで見つかった従来のMPPT 機能の欠点です。というのは、従来のMPPT機能では最初のピークの25V/200W に追従して極大点は32V/63W に移るからです。対照的に、LT8490は16V/128Wで真のMPPを検出し、パネルからさらに65Wを発生させます。これは、パネルの全電力曲線を一定間隔で測定し、動作時に真の最大電力ピークを検出することによって実現します。この場合には、他の日陰条件で可能な利得よりさらに大きな利得が得られるので、2倍を超える充電電力が抽出されます。
充電制御機能
充電アルゴリズムは、2つの構成ピンの電圧を調整すれば各アプリケーションの要件に応じて設定できます。AGM電池、ゲル電池、および湿電池技術を利用して作られた鉛蓄電池は、最長の寿命を得るためわずかに異なる充電電圧が必要であり、リチウムイオン電池とLiFePO4 電池には、鉛蓄電池とは異なる充電要件があります。組み込みで設定可能な充電制御機能の一部を以下に示します。
- NTCセンサを使用した充電電圧の温度補償(通常は鉛蓄電池用)
 - バッテリ温度が超過または不足した場合、充電電流を停止してバッテリを保護
 - 消耗したバッテリの検出によって充電を停止し、危険を回避
 - 深く放電したバッテリの調整可能なトリクル充電により、損傷の危険を低減
 - バッテリ電圧がその最終値に近づくにつれて定電圧充電に変わる定電流充電
 - バッテリが満充電になると充電電圧はより低いフロート電圧レベルに低下
 - DC電圧源で動作している場合は、充電時間の制限値を設定できる
 

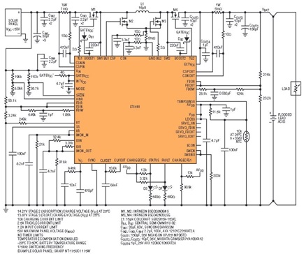
図4.鉛蓄電池の充電/ 制御機能を備えた完全な太陽電池システム
まとめ
LT8490は、太陽電池パネルまたはDC電圧源により、6V~80Vの電圧範囲で動作できるフル機能の真のMPPT充電コントローラで、1.3V から80Vまでの鉛蓄電池またはリチウム電池を充電します。4つのMOSFETとインダクタ1つを選択することにより、パワー段を容易に設定できるので、チャージャはバッテリ電圧より高い、低い、または等しいVINで動作できます。組み込みのバッテリ充電アルゴリズムおよびMPPT制御と共に、必要な機能をすべて内蔵しており、ファームウェア開発は不要です。