1.1A Boost Provides Soft-Start Capability in Tiny ThinSOT Package
Introduction
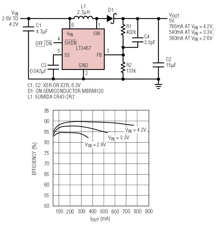
Linear Technology’s new LT3467 step-up DC/DC converter provides 1.1A switch current limit in a SOT-23—ample current in a small package. It also features a soft-start feature to limit the inrush current drawn from the supply during startup. Figure 1 shows that the LT3467 can deliver up to 540mA at 5V from an input of 3.3V with 84% efficiency. The LT3467 is up to 90% efficient for a single Li-Ion cell to 5V boost converter.

Figure 1. Single Li-Ion cell to 5V boost converter and its efficiency.
The high switching frequency of 1.3 MHz means low cost and low height inductors and capacitors can be used. Moreover, the fixed frequency current mode PWM architecture yields low noise that is predictable and easy to filter.
Application of the LT3467 is not limited to boost configurations, but can be used in a variety of other topologies such as SEPIC and flyback converters. The LT3467 has an internal 1.1A switch, and is capable of delivering up to 40V output. It has a dedicated soft-start pin: simply place an appropriately valued external capacitor on that pin to limit the inrush current by ramping up the voltage slowly (typical startup times are a few milliseconds).
The LT3467 is a pin-for-pin replacement of the LT1930 and LT1613, so applications using these parts can be easily updated to take advantage of the soft-start feature, higher efficiency and increased current capability.
Soft-Start
Normally, when a step-up DC/DC converter is first turned on, the output is low. This results in large current spikes as the output is quickly brought into regulation. Many applications with DC/DC converters use a battery for VIN, or possibly another voltage supply that can only provide a limited amount of current, so these large current spikes can collapse the supply voltage.
If, during startup, a step-up DC/DC converter’s switch is forced to turn on for a shorter duration than normal, the current in the inductor (and thus from the supply) grows moderately. During this time, the output voltage is brought up to its final regulated value much more slowly. Figures 2 and 3 show an example. Once the target output voltage is reached, the switch is no longer forced to short on-times, and is allowed to act on its own so the converter can regulate the output voltage under varying load conditions. This function is known as soft-start.

Figure 2. Supply current of Figure 1 during startup without soft-start capacitor.

Figure 3. Supply current of Figure 1 during startup with 47nF soft-start capacitor.
To implement the soft-start feature of the LT3467, simply place an external capacitor on pin 5. Upon startup, this capacitor is pulled high by an internal 250kΩ resistor. While the capacitor is being pulled high, the duration the switch is allowed to turn on is proportional to the voltage on the soft-start capacitor. Thus the output voltage and the supply current follow a segment of the familiar RC exponential, before the capacitor charges high enough that the soft-start action goes away. Refer to the data sheet for a more detailed description of soft-start and a block diagram explaining the operation of the LT3467.
Applications and Features
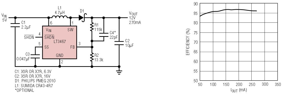
The LT3467 can be used in many different applications where voltage conversion is necessary. For example, in a boost topology, any voltage up to 40V can be produced from a lower voltage assuming the duty cycle of the application is within the ability of the part (see the data sheet for more information). Figure 4 shows a 5V to 12V application capable of up to 270mA. The efficiency peaks at 87%.

Figure 4. 5V to 12V, 270mA step-up converter and its efficiency.
Figure 5 shows an application powering a Lumiled from a Li-Ion supply. In this application, the output is the current through the LED, which can vary from 20mA for a “flashlight mode” when the Flash signal is low, up to 280mA when the Flash signal is high (at 2.5V). This is useful, for example, when a small amount of light is normally required, but where a brief burst of bright light is occasionally useful, such as in a camera flash for a cell phone. An extra supply, VCC = 2.0V ±2% is required to reduce the power dissipated in the sense resistor string. Instead of placing the sense resistor directly on the feedback pin, which will servo to 1.255V and dissipate 1.255V • IOUT(MAX), we use an extra 100μA to level shift the sense resistor voltage. By selecting R1 = 8.5kΩ, we reduce the voltage by 0.85V, thus reducing the power wasted in the sense resistor chain to 0.405V • IOUT(MAX), less than a third of the original power dissipated in this resistor.

Figure 5. Li-Ion powered LED flash driver.
The current through the LED varies according to:

where RS is the equivalent resistance of RS1, RS2 and M1.
By varying RS from 20Ω to 1.44Ω, the current through the LED varies from 20mA to 280mA. When switching to this heavier load, the part reaches current limit unless soft-start is used. One solution is to briefly ground the soft-start pin—which discharges the soft-start cap—each time the Flash signal goes high (shown in Figure 5).
Another interesting feature of the LT3467 concerns its current limit. At lower duty cycles, the switch is on for less time and consumes less power as a result. This fact can be taken advantage of in a very useful way: by making the current limit higher at lower duty cycles, the part can deliver more power than if it were simply fixed at 1.1A. For example, at the lowest duty cycle, around 10%, the minimum current limit is guaranteed to be 1.4A (typically it is around 1.8A.) In fact, the current limit is guaranteed at all operable duty cycles.
In addition to the features mentioned above, the LT3467 also comes in a higher frequency version: the LT3467A. This can be useful when a switching frequency above 1.6MHz is required, or when even smaller components must be used. The LT3467A switches at 2.1MHz, and has a slightly lower maximum duty cycle, but is otherwise identical to the LT3467. See the data sheet for more details.
Conclusion
The LT3467 is an efficient boost converter, both electrically, and in its space requirements. Its operation at a high fixed frequency allows external components to be quite small, and with the added soft-start feature, input supplies won’t be brought down when the part is turned on. The LT3467 is ideal in applications where high currents are required in small spaces.