概要
設計リソース
評価用ボード
型番に"Z"が付いているものは、RoHS対応製品です。 本回路の評価には以下の評価用ボードが必要です。
- EVAL-CN0254-SDPZ ($101.52) Low Cost, 16-Bit, 250 kSPS, 8-Channel, Isolated Data Acquisition System
- EVAL-SDP-CB1Z ($134.00) Eval Control Board
デバイス・ドライバ
コンポーネントのデジタル・インターフェースとを介して通信するために使用されるCコードやFPGAコードなどのソフトウェアです。
機能と利点
- 最大8チャンネルまでの高精度変換
- デジタルと電源を直流的に絶縁
- 小さなボード面積
製品カテゴリ
マーケット & テクノロジー
使用されている製品
参考資料
-
CN0254 Evaluation Board Guide2018/10/22WIKI
-
MT-101: Decoupling Techniques2015/02/14PDF954 kB
-
MT-049: Op Amp Total Output Noise Calculations for Single-Pole System2015/02/14PDF40 kB
-
MT-048: Op Amp Noise Relationships: 1/f Noise, RMS Noise, and Equivalent Noise Bandwidth2015/02/14PDF81 kB
-
MT-047: Op Amp Noise2015/02/14PDF72 kB
-
MT-031: データ・コンバータのグラウンディングと、「AGND」および「DGND」に関する疑問の解消2009/03/20PDF144 kB
-
CN-0254: 単電源、絶縁型の 16 ビット、250kSPS、8 チャンネル・データ・ アクイジション・システム2013/12/30PDF789 K
-
AN-931: PulSAR ADC サポート回路の解説2020/07/30
回路説明
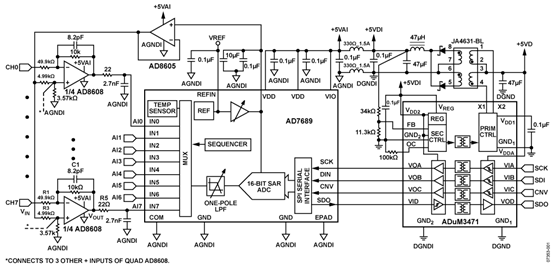
この回路は、AD7689 16ビット、8チャンネル、250kSPS PulSAR ADC と2個のAD8608低価格高精度クワッド・オペアンプを使って、データ・アクイジション・システムの全てのシグナル・コンディショニングとデジタル化機能を提供します。他に必要なオペアンプはAD8605だけで、AD7689からのリファレンス電圧をバッファするのに使用します。
AD8605とAD8608は、それぞれシングルとクワッドの低価格レールtoレール入力/出力CMOSアンプです。AD8608は、ADCの入力範囲に一致するように±10Vの入力信号の反転、レベル・シフト、および減衰を行います。+4.096Vリファレンスと+5V単電源を使用する場合のADCの入力範囲は0V~+4.096Vです。
AD8605は外部リファレンス・バッファとして機能し、レベル・シフトのための十分な駆動能力を提供します。AD8605とAD8608は、オフセット電圧が非常に小さく、入力電圧と入力電流のノイズが小さく、信号帯域幅が広いので、さまざまなアプリケーションに最適です。AD8608の電流ノイズと電圧ノイズは小さいので、高入力インピーダンスに対して抵抗ノイズが出力ノイズの支配的成分になります。この回路の入力インピーダンス(R1に等しい)は50kΩです。
AD7689 16ビット、8チャンネル、250kSPS PulSAR ADCは、低消費電力のマルチチャンネル・データ・アクイジション・システムに必要な全ての構成要素を含んでいます。これらは、16ビットSAR ADC、低クロストークの8チャンネル・マルチプレクサ、低ドリフトのリファレンスおよびバッファ、温度センサー、選択可能な単極フィルタ、チャンネル・シーケンサなどです。このシーケンサはチャンネルを連続的にスキャンするのに便利で、チャンネルの切り替えを制御するのにマイクロコントローラやFPGAは必要ありません。AD7689は実装面積の小さい20ピン4mm × 4mm LFCSPパッケージに収められているので、コストとプリント回路基板(PCB)の面積が最小限に抑えられます。動作は−40℃~+85℃の範囲で仕様が規定されています。5V電源で250kSPSのときの消費電力は12.5mW(標準)です。
ADuM3471は、クワッド・チャンネル・デジタル・アイソレータで、絶縁型DC/DCコンバータのためのPWMコントローラとトランス・ドライバを内蔵しています。ADuM3471は、絶縁された5V、2Wの電力を回路に供給するとともに、SPIインターフェースのデジタル信号を絶縁します。
アナログ・フロントエンドの設計
プロセス制御や工業用オートメーションのシステムでは、最大±10Vの信号レベルが標準的です。図1の回路では減衰機能とレベル・シフト機能を備えた反転アンプが使用され、±10Vの信号をADCの電圧範囲に適合する値に変換します。
この回路を表す式は次のとおりです。

ADCに入力される信号の範囲がピークtoピークで4Vになるように、フロントエンドの信号ゲイン(−R2/R1)は−0.2に設定されています。これは、リファレンス電圧VREFに等しい0V~4.096Vの入力範囲に適合します。

0Vの入力信号に対してオペアンプの出力が中点(0.5VREF)になるようにします。

式2を式3に代入すると、次のようになります。

オペアンプの入力の同相電圧は、次式で計算されます。

R3/R4 = 1.4、VREF = 4.096Vの場合、オペアンプの同相電圧は1.7Vになります。
4個のアンプが各AD8608に内蔵されており、4つの非反転入力は相互に短絡され、抵抗分割器R3/R4に接続されています。2番目のAD8608には2番目の抵抗分割器が使用されています。オペアンプの入力バイアス電流をキャンセルするため、次のようにします。

この回路の入力インピーダンスはR1で、この値を大きくするのが理想的です。ただし、抵抗には抵抗値の平方根に比例する熱ノイズが生じるので、この抵抗値が大きくなるとシステムのノイズ性能が低下します。最適値を求めるために簡単なノイズ解析が必要です。
ナイキスト条件に基づいて、最大信号周波数成分を最大サンプリング・レートの半分以下にする必要があります。AD7689ではサンプリング・レートが250kSPSなので、125kHzのナイキスト周波数になります。この帯域幅での信号の減衰を最小限に抑えるため、フロントエンドの−3dBのカットオフ周波数がナイキスト周波数の約12倍(1.5 MHz)になるように設計されています。
この回路のノイズ・モデルを図2に示します。この回路には、抵抗ノイズ、アンプの電圧ノイズ、アンプの電流ノイズの3つのノイズ源があります。各ノイズ源のrms値を表1に示します。オペアンプのノイズの詳細については、アプリケーションノートAN-358、およびチュートリアルMT-047、MT-048、MT-049を参照してください。

ADCが入力信号を正しくデジタル化できるように、ADCの直前で対象帯域幅内の総合rmsノイズを0.5LSBより小さくする必要があります。
抵抗によるノイズは、次式によって算出することができます。

ここで、Rの単位はΩです。
図1の抵抗値と1.5MHzの帯域幅を使ったときのノイズを表1にまとめます。
相関関係のないこれらのノイズ電圧は2乗和の平方根で加算されるので、1.5MHzの帯域幅内のオペアンプ出力の総合rmsノイズは約21.3μVになります。リファレンスが4.096Vの場合、16ビットのLSBは62.5μVになります。21.3μVのrmsノイズは0.5LSBより小さく、図1の抵抗値はこのアプリケーションに適しています。
総合出力ノイズの最大の要因が抵抗R2(回路内の10kΩ)であることに注意してください。R2の値を小さくするには、それに比例してR1の値を小さくすることが必要で、これにより入力インピーダンスが低下します。
AD8608の入力電流ノイズは非常に小さいので、極端に大きな抵抗値が使用されていない限り、これは大きな問題にはなりません。AD8605とAD8608は入力電流ノイズと入力バイアス電流が小さいので、フォトダイオードなどの高インピーダンス・センサーに理想的なアンプです。
C1コンデンサがR2と並列に追加され、単極アクティブ・ローパス・フィルタを形成しています。帯域幅は式8を使って計算します。−3dB帯域幅が1.5MHzの場合、C1は約10pFになります。この回路では、PCBボードの寄生効果を考慮して8.2pFの値が選択されています。

| ノイズ源 | RMS ノイズ密度 | RTO 係数(式) | RTO 係数 | 出力ノイズ密度 (nV/√Hz) | 出力 RMS ノイズ、1.5MHz の帯域幅 (μV) |
| eR1 | 28nV/√Hz | R2/R1 |
0.2 | 5.6 | 6.9 |
| eR2 |
12.6nV/√Hz | 1 |
1 | 12.6 | 15.4 |
| eR3 |
9nV/√Hz | (1+R2/R1)×{R3/(R3+R4)} |
(1+R2/R1)×{R3/(R3+R4)} | 0.5 | 4.5 |
| eR4 |
9nV/√Hz | (1+R2/R1)×{R3/(R3+R4)} |
0.7 | 5.6 | 6.9 |
| en | 6.5nV/√Hz | 1+R2/R1 | 1.2 | 7.8 | 9.6 |
| in+ | 0.01pA/√Hz | (1+R2/R1)×{(R3×R4)/(R3+R4)} | 2.5kΩ | 0.025 | 0.03 |
| in- | 0.01pA/√Hz | R2 | 10kΩ | 0.1 | 0.12 |
A/Dコンバータ(ADC)
AD7689は最新のSAR ADCで、内部のスイッチド・キャパシタDACを使用しています。SARアーキテクチャにより、変換プロセスにパイプライン遅延が生じないので、多重化処理が大幅に簡素化されます。アナログ入力の等価回路を図3に示します。サンプリング周波数で小さな過渡電流がアナログ入力に注入され、R5とC2で構成される外付けフィルタ回路網が過渡電流のオペアンプ出力への影響を低減します。さらに、このフィルタは2.7MHzの帯域幅を持ち、ADC入力のノイズも低減します。

4.096Vまたは2.5Vのリファレンスを選択可能な場合、この回路の入力範囲は、システム分解能を低下させることなく、±10Vと±6Vの間で切り替えることができます。
内部温度センサーを使ってAD7689のジャンクション温度をモニタできるようにし、高精度アプリケーションのシステム・キャリブレーションと温度補償を可能にします。
絶縁型の電源およびデジタルI/O用シングルチップ・ソリューション
ADuM3471は、電源とデジタルI/Oの両方を絶縁するためのシングルチップ・ソリューションです。絶縁電圧は2500V rmsです(1 min. per UL 1577)。ADuM3471は、4チャンネルの絶縁型I/Oポートを備え、絶縁型DC/DCコンバータのためのPWMコントローラとトランス・ドライバを内蔵しています。数個の外付け部品と組み合わせることにより、ADuM3471は安定化電圧範囲が3V~24Vの2W絶縁型電源を実現することができます。必要な外付け部品は、電力伝送用の1個のトランス、全波整流用の2個のショットキー・ダイオード、リップル抑制用のLCフィルタ、および出力電圧設定用の2本の帰還抵抗です。詳細については、ADuM3471のデータシートと図1を参照してください。
レイアウト時の考慮事項
この回路や他の全ての高速または高分解能の回路の性能は、PCBレイアウトが適切であるかどうかに大きく依存します。これには、限定はされませんが、電源バイパス、信号配線、適切な電源プレーンおよびグラウンド・プレーンが含まれます。PCBレイアウトの詳細については、チュートリアルMT-031、チュートリアルMT-101、および記事「高速プリント回路基板レイアウトの実務ガイド」(Analog Dialogue 39~09, September 2005)を参照してください。
回路図、基板レイアウト、部品表を含むCN-0254の設計支援パッケージについては、https://www.analog.com/CN0254-DesignSupportをご覧ください。
システム性能
評価ボードの端子ブロックでCH0~CH7をGNDに短絡したときに、10,000サンプル(1kSPSで1秒)の間に生じるADCコードのプロットを図4に示します。コードの95%が4LSBの範囲内にあり、ピークtoピークの幅が約7LSBであることに注意してください。これは約7 ÷ 6.6 = 1.1LSBのrms値に相当します。

AC性能を図5に示します。250kSPSのサンプリング・レートはシステム・デモ用プラットフォーム(EVAL-SDP-CB1Z SDP)によって制御され、信号ウィンドウ処理とFFTを含むデジタル信号処理はPCで動作するCN-0254評価用ソフトウェアによって計算されます。入力サイン波形は20kHzトーンで、B&Kの低歪みサイン波発生器(タイプ1051)から供給されます。

バリエーション回路
より高いサンプリング・レートを必要とするアプリケーション用に、最大サンプリング・レートが500kSPSのAD7699があり、AD7689のピン互換の置き換えデバイスとして最適です。
AD8615、AD8616、AD8618は、それぞれシングル、デュアル、クワッドの高精度CMOSレールtoレール入力/出力オペアンプで、帯域幅は最大20MHzです。これらは、AD8605/AD8608シリーズより広い帯域幅を必要とするアプリケーションに使用することができます。
ADR3412(1.200V)、ADR3420(2.048V)、ADR3425(2.500V)、ADR3430(3.000V)、ADR3433(3.300V)、ADR3440(4.096V)、およびADR3450(5.000V)は、低価格、低消費電力、高精度CMOS電圧リファレンスで、±0.1%の初期精度、低動作電流、低出力ノイズを特長とする小型SOT-23パッケージに収められたデバイスです。必要に応じて、これらをAD7689の内部リファレンスの代わりに使用することができます。
ADuM3470、ADuM3471、ADuM3472、ADuM3473、およびADuM3474は、電源とデジタルI/Oの両方の絶縁を必要とするアプリケーションに最適です。ADuM120xとADuM140xのファミリーは、絶縁型のI/Oを拡張するのに使用されます。高データレート向けに、ADuM344xファミリーは最大150Mbpsをサポートします。
回路の評価とテスト
必要な装置 (同等の装置に変更可能)
- USBポート付きWindows® XP、Windows Vista(32ビット)、またはWindows 7(32ビット)搭載PC
- EVAL-CN0254-SDPZ回路評価ボード
- EVAL-SDP-CB1Zシステム・デモ用プラットフォーム評価ボード
- 電源電圧:6V DC、500mA
- CN0254評価用ソフトウェア
- B&Kのサイン波発生器(タイプ1051)
評価開始にあたって
CN-0254評価用ソフトウェアCDをPCのCDドライブにセットして評価用ソフトウェアをロードします。マイコンピュータを使用し、評価用ソフトウェアCDのあるドライブを探し、Readmeファイルを開きます。Readmeファイルの指示に従って、評価用ソフトウェアをインストールして使用してください。
機能ブロック図
テスト・セットアップの機能ブロック図を図6に示します。EVAL-CN0254-SDPZ-PADSSchematic pdfファイルに、CN-0254評価ボードの詳細な回路図が含まれています。回路図、PCBレイアウト、部品表、およびガーバーファイルを含むCCN-02544設計支援パッケージは、https://www.analog.com/CN0254-DesignSupportからダウンロードすることができます。
セットアップとテスト
CN-0254回路評価ボードの120ピン・コネクタをEVAL-SDP-CB1Z評価用(SDP)ボードのCON AコネクタまたはCON Bコネクタに接続します。120ピン・コネクタの両端にある穴を利用し、ナイロン製ハードウェアを使って2枚の基板をしっかり固定します。DC出力電源を6Vの出力に設定してから、電源をオフにします。6VをCN2に接続します。電源をオンにしてから、USB-miniUSBケーブルを使ってSDPをPCに接続します。
電源を設定してEVAL-CN0254-SDPZ回路基板に接続してから、評価用ソフトウェアを起動します。ソフトウェアがSDPボードと通信できるように、Connectをクリックします。SDPボードを使って、EVAL-CN0254-SDPZボードとの間のシリアル・データの送受信およびキャプチャを行うことができます。この回路ノートのデータは、B&Kの信号発生器(タイプ1051)を使って生成しました。SDPボードについては、www.analog.com/SDPを参照してください。


