製品概要
機能と利点
製品概要
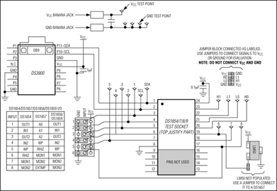
この光ファイバのモニタおよび制御用評価キット(EVキット)は、DS1854、DS1857、DS1858、およびDS1859を評価するためのハードウェアおよびソフトウェアインタフェースを備えています。このキットは、デバイス設定の変更とデバイスレジスタの監視に必要な2線式機能を実行するMicrosoftのWindows®対応ソフトウェアを同梱しています。このソフトウェアによって提供される汎用通信機能のほかに、このソフトウェアを使って抵抗の温度に対応した参照テーブルをテキストファイルから設定することができます。このキットのハードウェアは、入力を外的刺激に接続し出力をテスト機器で監視することが可能なテストポイントを備え、ジャンパを使ってデバイスをカスタマのアプリケーション用に構成することができます。
アプリケーション
- 診断用モニタ
- 計測および産業用制御
- 光トランシーバ
- 光トランスポンダ
- RFパワーアンプ
