製品概要

機能と利点

  • DS1854、DS1857、DS1858、およびDS1859に対応
  • Windowsソフトウェアを使ってデバイス機能に容易にアクセス可能で、2線式通信を処理
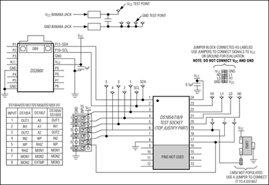
  • ZIFソケットによって、4つのすべてのデバイスタイプを1つの基板によって評価可能
  • ソフトウェアを使って、テキストファイルから可変抵抗を設定可能
  • リアルタイム監視ソフトウェアが、温度、VCC、モニタ入力、および状態バイトを連続的に監視
  • DS1857評価用外部温度センサの実装スペースを確保
  • EVキットのソフトウェアを使って、カスタマのアプリケーション回路に搭載されたデバイスの構成、または監視が可能
  • 製品概要

    この光ファイバのモニタおよび制御用評価キット(EVキット)は、DS1854、DS1857、DS1858、およびDS1859を評価するためのハードウェアおよびソフトウェアインタフェースを備えています。このキットは、デバイス設定の変更とデバイスレジスタの監視に必要な2線式機能を実行するMicrosoftのWindows®対応ソフトウェアを同梱しています。このソフトウェアによって提供される汎用通信機能のほかに、このソフトウェアを使って抵抗の温度に対応した参照テーブルをテキストファイルから設定することができます。このキットのハードウェアは、入力を外的刺激に接続し出力をテスト機器で監視することが可能なテストポイントを備え、ジャンパを使ってデバイスをカスタマのアプリケーション用に構成することができます。

    アプリケーション

    • 診断用モニタ
    • 計測および産業用制御
    • 光トランシーバ
    • 光トランスポンダ
    • RFパワーアンプ