関連資料
-
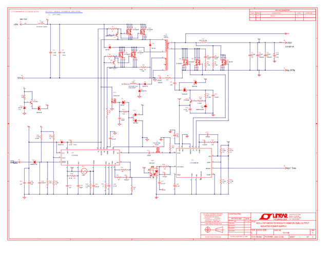
DC448A - Schematic2009/09/24PDF104K
-
DC448A - Demo Manual2009/09/24PDF543K
-
DC448A - Design File2009/09/24ZIP1M
