製品概要
製品概要
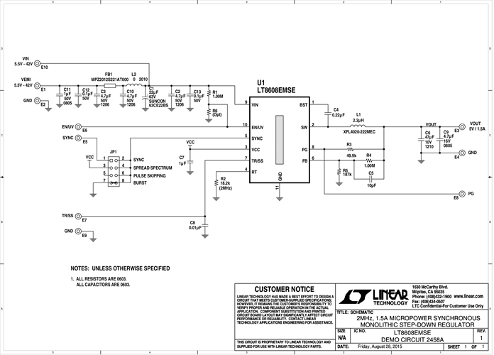
Demonstration circuit 2458A is a 42V, 1.5A micropower synchronous step-down regulator featuring the LT8608. The demo board is designed for 5V output from a 5.5V to 42V input. The wide input range allows a variety of input sources, such as automotive batteries and industrial supplies. The LT8608 is a compact, high efficiency, high speed synchronous monolithic step-down switching regulator that consumes only 2.5μA of quiescent current when output is regulated at 5V. Top and bottom power switches, compensation components and other necessary circuits are inside of the LT8608 to minimize external components and simplify design.
関連資料
-
DC2458A - Schematic2016/05/31PDF30K
-
DC2458A - Demo Manual2016/05/31PDF261K
-
DC2458A - Design Files2016/05/31ZIP876K
-
LDOレギュレータ向けのVIOC機能【Part 1】その利用方法、得られるメリット2025/12/08




