製品概要
製品概要
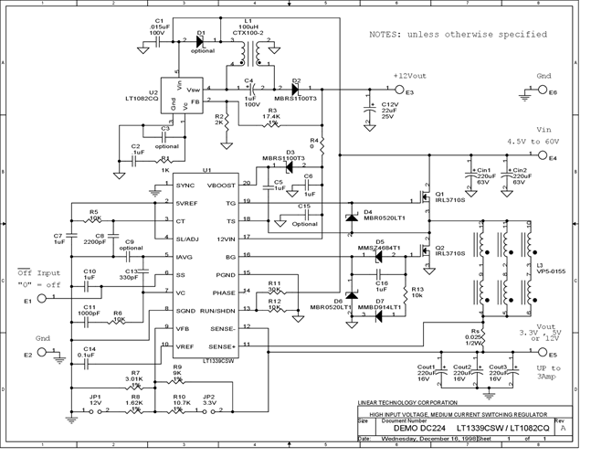
Demonstration circuit DC224A is a multipurpose, 3 amp synchronous step-down switching regulator using the LT1339. The input voltage range is 4.5V to 60V. The output voltage is jumper selectable for 3.3V, 5V, 7V or 12V. The board includes a small SEPIC converter based on the LT1082 that provides 12V for the LT1339 with any input voltage of 4V to 60V.
関連資料
-
DC224A - Schematic2009/09/24PDF67K
-
DC224A - Demo Manual2009/09/24PDF102K
-
DC224A - Design File2009/09/24ZIP398K
