製品概要
製品概要
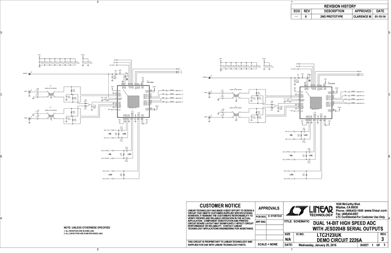
Demonstration Circuit 2226A-A is a reference design for a four-channel, 250Msps ADC system consisting of two LTC2123, dual 14-bit 250Msps ADCs and a JESD204B Subclass 1 clocking solution based on the LTC6951 Clock Synthesizer with Integrated VCO. Other dash options reserved for future use. No external clock source is required to operate the board; however, the on-board 100MHz reference oscillator may be bypassed, allowing synchronization to other equipment.
Companion Board: Kintex Board
関連資料
-
DC2226A - Schematic2016/12/08PDF292K
-
DC2226A - Demo Manual2016/12/08PDF518K
-
DC2226A - Design Files2016/12/08ZIP6M
