製品概要
製品概要
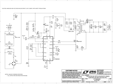
DC1817B: Demo Board for the LT3798 Isolated No Opto-Coupler Flyback Controller with Active PFC.
関連資料
-
DC1817B - Schematic2014/11/12PDF33K
-
DC1817B - Demo Manual2014/11/12PDF399K
-
DC1817B - Design Files2014/11/12ZIP843K





