製品概要
製品概要
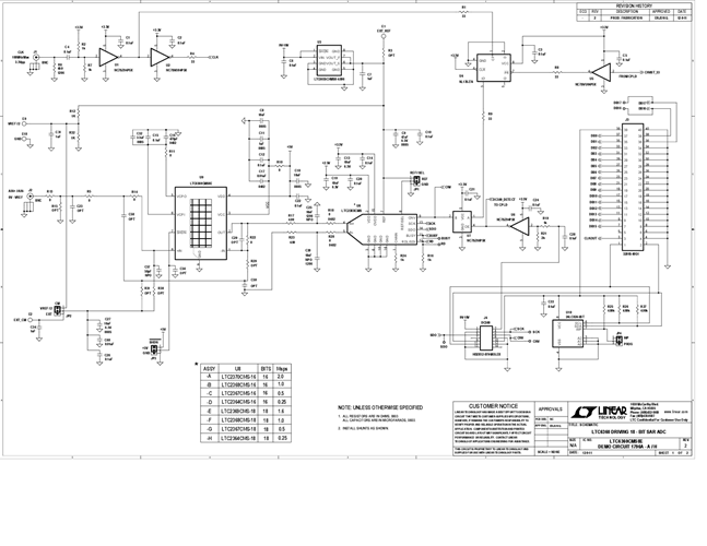
DC1796A-H Demo Board for:
LTC6360 Very Low Noise Single-Ended SAR ADC Driver with True Zero Output
LTC2364-18 18-Bit, 250ksps, Pseudo-Differential Unipolar SAR ADC with 97dB SNR
関連資料
- 
                                                                
                                                                    
                                                                                                                                            DC1796A - Schematic2012/06/21PDF105K
- 
                                                                
                                                                    
                                                                                                                                            DC1796A - Demo Manual2012/06/21PDF1M
- 
                                                                
                                                                    
                                                                                                                                            DC1796A - Design Files2012/06/21ZIP1M
 
                             
                         
                         
                                                