製品概要
製品概要
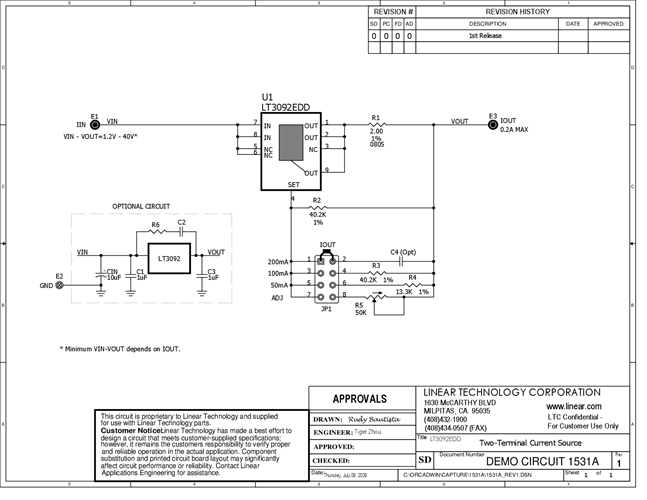
DC1531A: Demo Board for the LT3092 200mA 2-Terminal Programmable Current Source.
関連資料
-
DC1531A - Schematic2009/10/22PDF74K
-
DC1531A - Demo Manual2009/10/22PDF425K
-
DC1531A - Design Files2009/10/22ZIP1M




