製品概要
製品概要
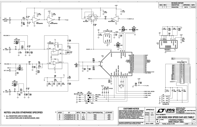
DC1500A-B: Demo Board for the LTC2392-16 16-Bit, 500ksps SAR ADC with 94dB SNR and for LT6350 Low Noise Single-Ended to Differential Converter/ADC Driver.
対象となる製品
関連資料
-
DC1500A - Schematic2010/04/15PDF96K
-
DC1500A - Demo Manual2010/04/15PDF687K
-
DC1500A - Design Files2010/04/15ZIP1M
