製品概要
機能と利点
- 可変72V~96V電圧範囲、E2W/E3Wアプリケーションに最適
- ASIL-D準拠の車載グレードBMSチップ
- 充電、プリチャージ、放電回路を内蔵
- セル電圧モニタリングの合計測定誤差(TME):1.8 mV
- 高性能セル/パックの電圧と電流のモニタリング
- オンボードisoSPI通信
- 低消費電力セル・モニタリング(LPCM)機能
- GPIO制御可能なFETモニタリング
- NTCセンサー対応のADBMS6830 GPIO入力
- 低消費電力MAX32690 MCU
- UARTおよびCAN通信
- 拡張クーロン・カウント手法を利用したSOCとSOH
- E2W/E3Wベーシック・システム動作モード
- 組み込みアプリケーションに対応(CLI経由)
- 以下の測定とフォルト検出が可能なGUIを搭載:
- セル・モニタリング
- 電圧および電流パックのモニタリング
- 充電電流のモニタリング
- 放電電流のモニタリング
- 温度モニタリング
- セルOV/UV検出
- セル/GPIOオープンワイヤ検出
- セル・バランシング
製品概要
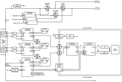
AD-BMSE2E3W-SLは、軽電気自動車(LEV)用のBMSリファレンス・デザインです。このソリューションは、電圧範囲が72V~96Vで、最大100Aの高電流容量を備えた電動2輪車および3輪車に適しています。
このシングルボード・システムは、最大2 x 16チャンネルを監視できるクラス最高のADBMS6830セル・モニタリング・チップを採用しています。このボードには、ADBMS2950を使用したバッテリー・パックの監視機能も備わっています。ADBMS6822デュアルisoSPIトランシーバには、2線式のリバーシブルisoSPI接続が組み込まれており、マイクロコントローラのSPIラインにデータを送信する前に、デイジーチェーン構成でBMSパーツの通信を簡素化します。
オンボードのMAX32690 MCUにファームウェアをロードすると、セル電圧(平均およびフィルタリング済み)、パック電圧、パック電流などのBMS測定を実行できます。このボードには、充電/プリチャージ/放電モードも備わっており、ADBMS2950パック・モニタ・チップによって制御できます。
AD-BMSE2E3W-SLは、組み込みモードまたはGUIを使用して実行するように設計されており、強化されたクーロン・カウント技術を使用してバッテリーの充電状態(SoC)と健全性状態(SoH)が計算されます。
アプリケーション
- 電動およびハイブリッド駆動の二輪車
- 電動およびハイブリッド駆動の三輪車
- 軽量電動車両
マーケット&テクノロジー
対象となる製品
関連資料
-
AD-BMSE2E3W-SL Design Support Files2024/07/09ZIP17M
-
AD-BMSE2E3W-SL User Guide (GitHub)2026/04/16
-
UG-2245: AD-BMSE2E3W-SL Quick Start Guide (Rev. 0)2024/07/10PDF911 K



